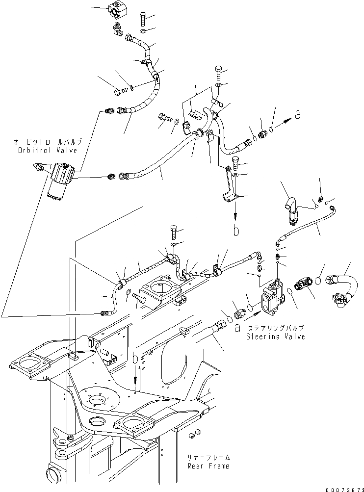
Запчасти Komatsu WA320PT-5L ГИДРОЛИНИЯ КЛАПАНА РУЛЕВ. УПРАВЛЕНИЯ (ПРИОРИТЕТН. КЛАПАН - КЛАПАН РУЛЕВОГО УПРАВЛЕНИЯ) (W/O ВСПОМОГ. РУЛЕВ. УПРАВЛЕНИЕ) ГИДРАВЛИКА

Схема запчастей Komatsu WA320PT-5L - ГИДРОЛИНИЯ КЛАПАНА РУЛЕВ. УПРАВЛЕНИЯ (ПРИОРИТЕТН. КЛАПАН - КЛАПАН РУЛЕВОГО УПРАВЛЕНИЯ) (W/O ВСПОМОГ. РУЛЕВ. УПРАВЛЕНИЕ) ГИДРАВЛИКА
1
2
3
4
5
6
6
6
6
7
7
7
7
8
8
9
9
10
11
12
13
14
15
16
17
18
19
20
20
21
21
22
22
23
24
24
25
26
26
27
28
29
30
31
31
32
32
33
33
34
34
35
36
37
38
39
40
41
FIT
1:1
100%

Артикул

Название

Примечание

Количество

1

419-62-33912

HOSE

SN: A39001-UP

1шт.

2

08210-00611

SPIRAL TUBE

SN: A39001-UP

1шт.

3

11Y-62-12530

UNION

SN: A39001-UP

1шт.

4

416-62-11480

O-RING

SN: A39001-UP

1шт.

5

02896-11008

O-RING

SN: A39001-UP

1шт.

6

04434-52712

CLIP

SN: A39001-UP

4шт.

7

07095-20420

CUSHION

SN: A39001-UP

4шт.

8

01010-81020

BOLT

SN: A39001-UP

4шт.

9

01643-31032

WASHER

SN: A39001-UP

4шт.

10

02764-002A5

HOSE

SN: A39001-UP

1шт.

11

11Y-62-12120

UNION

SN: A39001-UP

1шт.

12

416-62-11480

O-RING

SN: A39001-UP

1шт.

13

02896-11008

O-RING

SN: A39001-UP

1шт.

14

02783-10210

ELBOW

SN: A39001-UP

1шт.

15

02896-11008

O-RING

SN: A39001-UP

1шт.

16

07002-11423

O-RING

SN: A39001-UP

1шт.

17

419-62-33674

HOSE

SN: A39001-UP

1шт.

18

08210-01804

SPIRAL TUBE

SN: A39001-UP

1шт.

19

08210-01803

SPIRAL TUBE

SN: A39001-UP

1шт.

20

04434-52512

CLIP

SN: A39001-UP

2шт.

21

01010-81020

BOLT

SN: A39001-UP

2шт.

22

01643-31032

WASHER

SN: A39001-UP

2шт.

23

418-62-32171

NIPPLE

SN: A39001-UP

1шт.

24

418-62-11630

O-RING

SN: A39001-UP

2шт.

25

419-62-31153

ELBOW

SN: A39001-UP

1шт.

26

11Y-62-11980

O-RING

SN: A39001-UP

2шт.

27

419-62-33653

HOSE

SN: A39001-UP

1шт.

28

419-62-31521

VALVE

SN: A39001-UP

1шт.

29

418-62-11620

O-RING

SN: A39001-UP

1шт.

30

02896-11015

O-RING

SN: A39001-UP

1шт.

31

07094-10518

CLAMP

SN: A39001-UP

4шт.

32

07095-00523

CUSHION

SN: A39001-UP

2шт.

33

01010-81265

BOLT

SN: A39001-UP

2шт.

34

01643-31232

WASHER

SN: A39001-UP

2шт.

35

419-64-35142

BRACKET

SN: A39001-UP

1шт.

36

01010-81025

BOLT

SN: A39001-UP

2шт.

37

01643-31032

WASHER

SN: A39001-UP

2шт.

38

FLANGE,(SEE FIG. H4200-04A0)

SN: A39001-UP

-1шт.

39

ELBOW,(SEE FIG. F2760-04A0)

SN: A39001-UP

-1шт.

40

HOSE,(SEE FIG. H4200-01A3)

SN: A39001-UP

-1шт.

41

HOSE, 630MM,(SEE FIG. H4200-01A0)

SN: A39001-UP

-1шт.

Выбрано товаров: 0