Запчасти Komatsu WA320PZ-6 КОНДИЦ. ВОЗДУХА И ОБОГРЕВАТЕЛЬ. (ВОЗДУХОВОДЫ)(№7-) КАБИНА ОПЕРАТОРА И СИСТЕМА УПРАВЛЕНИЯ

Схема запчастей Komatsu WA320PZ-6 - КОНДИЦ. ВОЗДУХА И ОБОГРЕВАТЕЛЬ. (ВОЗДУХОВОДЫ)(№7-) КАБИНА ОПЕРАТОРА И СИСТЕМА УПРАВЛЕНИЯ
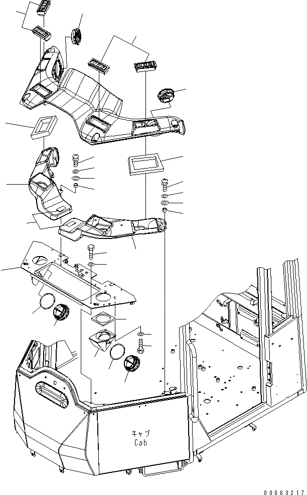
1
2
3
4
5
6
7
7
8
9
10
11
11
12
12
13
13
14
14
15
15
16
16
16
16
17
17
18
FIT
1:1
100%

Артикул

Название

Примечание

Количество

1

418-926-4570

BRACKET

SN: 70001-UP

1шт.

2

01010-80620

BOLT

SN: 70001-UP

6шт.

3

01643-30623

WASHER

SN: 70001-UP

6шт.

4

418-926-4580

COVER

SN: 70001-UP

1шт.

5

01010-80612

BOLT

SN: 70001-UP

3шт.

6

01643-30623

WASHER

SN: 70001-UP

3шт.

7

423-925-4482

SHEET

SN: 70001-UP

2шт.

8

423-925-4420

SHEET

SN: 70001-UP

1шт.

9

423-07-31683

DUCT,L.H.

SN: 70001-UP

1шт.

10

423-07-31693

DUCT,R.H.

SN: 70001-UP

1шт.

11

01023-10625

SCREW

SN: 70001-UP

6шт.

12

426-56-31890

COLLAR

SN: 70001-UP

6шт.

13

426-56-31870

WASHER

SN: 70001-UP

6шт.

14

01643-30623

WASHER

SN: 70001-UP

6шт.

15

423-07-31250

SHEET

SN: 70001-UP

2шт.

16

20Y-53-12172

GRILLE

SN: 70001-UP

4шт.

17

421-07-12512

GRILLE ASS'Y

SN: 70001-UP

4шт.

18

423-07-31280

PLATE

SN: 70001-UP

2шт.

Выбрано товаров: 18