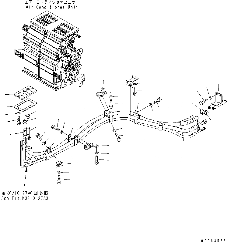
Запчасти Komatsu WA320PZ-6 ГИДР. ПРОВОД. ОБОГРЕВАТЕЛЯ(№7-) КАБИНА ОПЕРАТОРА И СИСТЕМА УПРАВЛЕНИЯ

Схема запчастей Komatsu WA320PZ-6 - ГИДР. ПРОВОД. ОБОГРЕВАТЕЛЯ(№7-) КАБИНА ОПЕРАТОРА И СИСТЕМА УПРАВЛЕНИЯ
1
1
2
2
3
3
4
4
5
5
5
5
6
6
6
6
7
7
7
7
8
9
10
11
12
13
14
15
16
17
18
19
20
21
22
23
24
25
26
FIT
1:1
100%

Артикул

Название

Примечание

Количество

1

418-07-45110

HOSE, 1690MM

SN: 70001-UP

1шт.

2

09479-02400

CLAMP

SN: 70001-UP

2шт.

3

418-07-45120

HOSE, 1710MM

SN: 70001-UP

1шт.

4

09479-02400

CLAMP

SN: 70001-UP

2шт.

5

421-07-11550

CLIP

SN: 70001-UP

4шт.

6

01010-81020

BOLT

SN: 70001-UP

4шт.

7

01643-31032

WASHER

SN: 70001-UP

4шт.

8

418-07-41770

BRACKET

SN: 70001-UP

1шт.

9

01010-81025

BOLT

SN: 70001-UP

1шт.

10

01643-31032

WASHER

SN: 70001-UP

1шт.

11

01010-81020

BOLT

SN: 70001-UP

1шт.

12

01643-31032

WASHER

SN: 70001-UP

1шт.

13

418-07-45161

BRACKET

SN: 70001-UP

1шт.

14

01010-81020

BOLT

SN: 70001-UP

2шт.

15

01643-31032

WASHER

SN: 70001-UP

2шт.

16

418-07-41720

SHEET

SN: 70001-UP

1шт.

17

418-07-41710

PLATE

SN: 70001-UP

1шт.

18

01010-80616

BOLT

SN: 70001-UP

2шт.

19

01643-30623

WASHER

SN: 70001-UP

2шт.

20

418-07-41760

BRACKET

SN: 70001-UP

1шт.

21

01010-81020

BOLT

SN: 70001-UP

1шт.

22

01643-31032

WASHER

SN: 70001-UP

1шт.

23

418-07-41740

BRACKET

SN: 70001-UP

1шт.

24

01010-81020

BOLT

SN: 70001-UP

1шт.

25

01643-31032

WASHER

SN: 70001-UP

1шт.

26

418-07-41750

BRACKET

SN: 70001-UP

1шт.

Выбрано товаров: 26