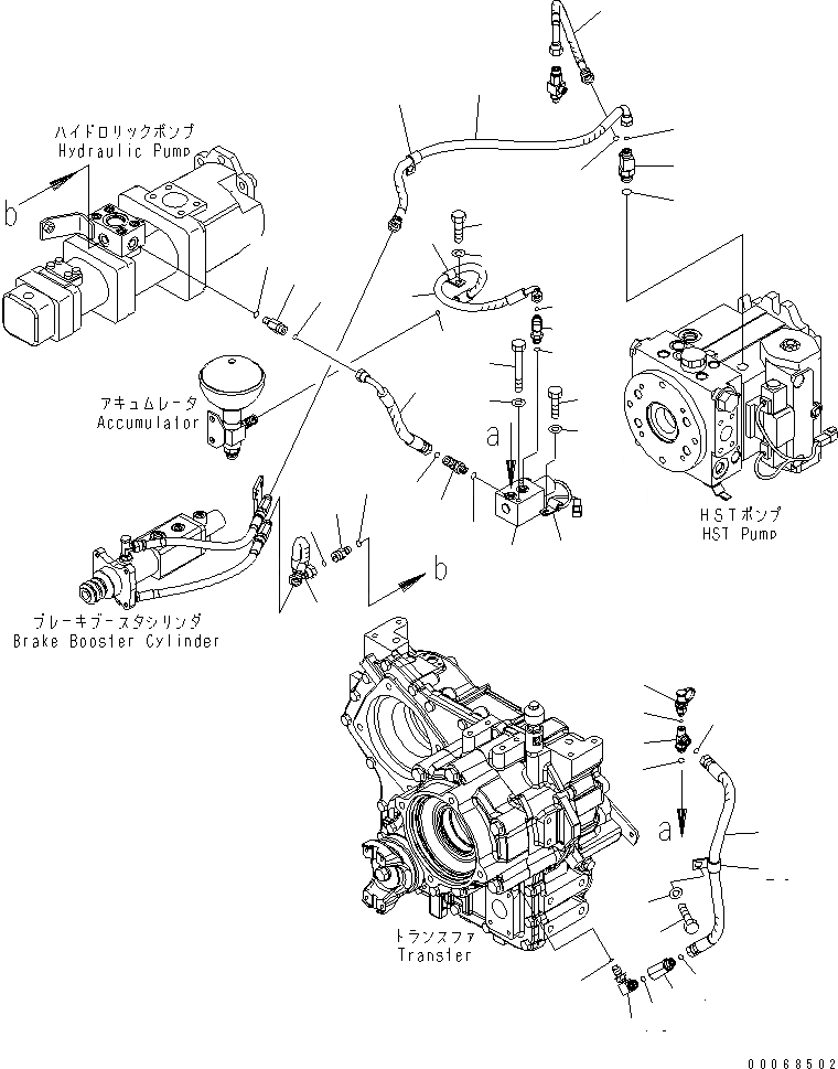
Запчасти Komatsu WA320PZ-6 INCHING УПРАВЛ-Е(№7-) КАБИНА ОПЕРАТОРА И СИСТЕМА УПРАВЛЕНИЯ

Схема запчастей Komatsu WA320PZ-6 - INCHING УПРАВЛ-Е(№7-) КАБИНА ОПЕРАТОРА И СИСТЕМА УПРАВЛЕНИЯ
1
2
3
4
5
6
7
8
9
10
11
12
13
14
15
16
16
16
17
17
18
19
20
21
22
22
23
23
24
25
26
27
28
28
29
30
31
32
33
34
35
36
37
38
39
40
FIT
1:1
100%

Артикул

Название

Примечание

Количество

1

417-18-31111

SOLENOID VALVE ASS'Y

SN: 70001-UP

1шт.

2

01010-80870

BOLT

SN: 70001-UP

2шт.

3

01643-30823

WASHER

SN: 70001-UP

2шт.

4

8296-62-2161

ELBOW

SN: 70001-UP

1шт.

5

07002-11423

O-RING

SN: 70001-UP

1шт.

6

02896-11008

O-RING

SN: 70001-UP

1шт.

7

02896-11009

O-RING

SN: 70001-UP

2шт.

8

419-18-41340

HOSE, 500MM

SN: 70001-UP

1шт.

9

417-823-2460

JOINT

SN: 70001-UP

1шт.

10

02896-11009

O-RING

SN: 70001-UP

2шт.

11

419-18-41360

HOSE, 280MM

SN: 70001-UP

1шт.

12

419-18-31391

HOSE

SN: 70001-UP

1шт.

13

418-T80-3281

ELBOW

SN: 70001-UP

1шт.

14

419-18-31331

ELBOW

SN: 70001-UP

1шт.

15

21W-62-43970

ELBOW

SN: 70001-UP

1шт.

16

07000-12011

O-RING

SN: 70001-UP

3шт.

17

02896-11009

O-RING

SN: 70001-UP

2шт.

18

02896-11008

O-RING

SN: 70001-UP

1шт.

19

04434-51210

CLIP

SN: 70001-UP

1шт.

20

04434-51510

CLIP

SN: 70001-UP

1шт.

21

600-051-2050

CLIP

SN: 70178-UP

1шт.

21

600-051-2100

CLIP

SN: 70001-70177

1шт.

22

01010-81020

BOLT

SN: 70001-UP

2шт.

23

01643-31032

WASHER

SN: 70001-UP

2шт.

24

799-101-5220

NIPPLE

SN: 70001-UP

1шт.

25

07002-11023

O-RING

SN: 70001-UP

1шт.

26

07000-12018

O-RING

SN: 70001-UP

1шт.

27

419-18-31510

TEE

SN: 70001-UP

1шт.

28

02896-11009

O-RING

SN: 70001-UP

2шт.

29

20U-62-41730

NIPPLE

SN: 70001-UP

1шт.

30

07002-11423

O-RING

SN: 70001-UP

1шт.

31

02896-11009

O-RING

SN: 70001-UP

1шт.

32

419-18-48114

HOSE, 830MM

SN: 70001-UP

1шт.

33

04434-51610

CLIP

SN: 70001-UP

1шт.

34

01010-81020

BOLT

SN: 70001-UP

1шт.

35

01643-31032

WASHER

SN: 70001-UP

1шт.

36

02761-003A3

HOSE, 350MM

SN: 70001-UP

1шт.

37

02781-0031D

UNION

SN: 70001-UP

1шт.

38

07002-11423

O-RING

SN: 70001-UP

1шт.

39

02896-11009

O-RING

SN: 70001-UP

1шт.

40

419-18-48122

HOSE, 370MM

SN: 70001-UP

1шт.

Выбрано товаров: 41