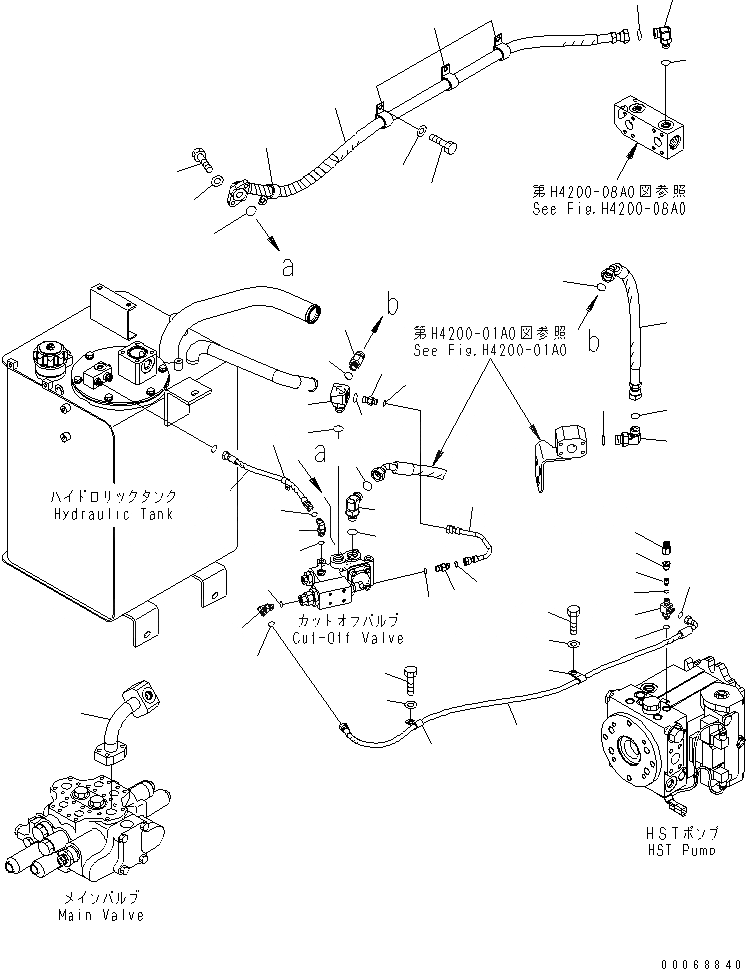
Запчасти Komatsu WA320PZ-6 ГИДРОЛИНИЯ (ОСНОВН. ЛИНИЯ) (/)(№7-) ГИДРАВЛИКА

Схема запчастей Komatsu WA320PZ-6 - ГИДРОЛИНИЯ (ОСНОВН. ЛИНИЯ) (/)(№7-) ГИДРАВЛИКА
1
2
3
4
5
6
7
7
7
8
9
10
11
12
12
13
14
15
16
17
17
17
17
18
19
20
21
22
23
24
25
26
27
28
29
30
31
32
33
33
33
33
34
34
34
34
35
35
36
36
37
37
38
FIT
1:1
100%

Артикул

Название

Примечание

Количество

1

02782-10522

ELBOW

SN: 70001-UP

1шт.

2

419-62-31374

ELBOW

SN: 70001-UP

1шт.

3

419-62-43120

NIPPLE

SN: 70001-UP

1шт.

4

07002-12034

O-RING

SN: 70001-UP

1шт.

5

419-62-43330

HOSE, 520MM

SN: 70001-UP

1шт.

6

02782-10522

ELBOW

SN: 70001-UP

1шт.

7

07002-12434

O-RING

SN: 70001-UP

3шт.

8

419-62-43760

HOSE, 1560MM

SN: 70001-UP

1шт.

9

07000-13025

O-RING

SN: 70001-UP

1шт.

10

01010-81035

BOLT

SN: 70001-UP

2шт.

11

01643-31032

WASHER

SN: 70001-UP

2шт.

12

04434-52712

CLIP

SN: 70001-UP

4шт.

13

01010-81020

BOLT

SN: 70001-UP

4шт.

14

01643-31032

WASHER

SN: 70001-UP

4шт.

15

02782-10516

ELBOW

SN: 70001-UP

1шт.

16

07002-12034

O-RING

SN: 70001-UP

1шт.

17

02896-11015

O-RING

SN: 70001-UP

4шт.

18

419-62-31630

TUBE

SN: 70001-UP

1шт.

19

419-62-43350

HOSE, 1255MM

SN: 70001-UP

1шт.

20

419-62-48392

HOSE, 500MM

SN: 70001-UP

1шт.

21

04434-51212

CLIP

SN: 70001-UP

1шт.

|$34

419-18-31562

VALVE ASS'Y

SN: 70001-UP

1шт.

22

07000-12010

O-RING

SN: 70001-UP

1шт.

23

20U-60-22310

POPPET

SN: 70001-UP

1шт.

24

419-18-31523

ELBOW

SN: 70001-UP

1шт.

25

419-18-31551

PLUG

SN: 70001-UP

1шт.

26

419-62-31670

JOINT

SN: 70001-UP

1шт.

27

07002-11423

O-RING

SN: 70001-UP

1шт.

28

02896-11009

O-RING

SN: 70001-UP

1шт.

29

02781-0021D

UNION

SN: 70001-UP

1шт.

30

21W-62-43930

NIPPLE

SN: 70001-UP

1шт.

31

02782-10210

ELBOW

SN: 70001-UP

1шт.

32

02782-1021A

ELBOW

SN: 70001-UP

1шт.

33

07002-11423

O-RING

SN: 70001-UP

4шт.

34

02896-11008

O-RING

SN: 70001-UP

5шт.

35

04434-51212

CLIP

SN: 70001-UP

2шт.

36

01010-81020

BOLT

SN: 70001-UP

2шт.

37

01643-31032

WASHER

SN: 70001-UP

2шт.

38

419-62-34133

TUBE

SN: 70001-UP

1шт.

Выбрано товаров: 39