Запчасти Komatsu WA320PZ-6 ЗЕРКАЛА(ДЛЯ ЕС)(№7-) ЧАСТИ КОРПУСА

Схема запчастей Komatsu WA320PZ-6 - ЗЕРКАЛА(ДЛЯ ЕС)(№7-) ЧАСТИ КОРПУСА
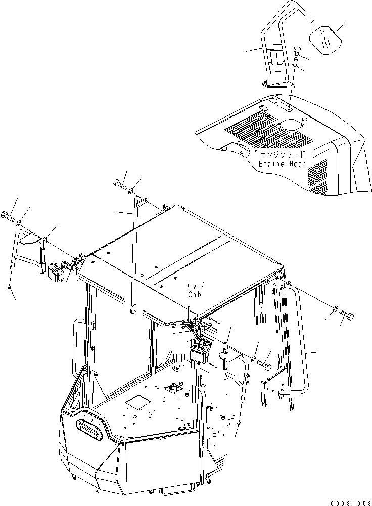
1
2
3
3
4
4
5
5
6
7
8
8
9
9
10
10
11
11
12
13
14
15
FIT
1:1
100%

Артикул

Название

Примечание

Количество

1

418-54-44850

STAY,L.H.

SN: 70001-UP

1шт.

2

418-54-44860

STAY,R.H.

SN: 70001-UP

1шт.

3

22M-54-26180

CAP

SN: 70001-UP

2шт.

4

01010-D1025

BOLT

SN: 70001-UP

8шт.

5

01643-71032

WASHER

SN: 70001-UP

8шт.

6

418-926-4930

HANDRAIL,L.H.

SN: 70001-UP

1шт.

7

418-926-4940

HANDRAIL,R.H.

SN: 70001-UP

1шт.

8

01010-D1025

BOLT

SN: 70001-UP

6шт.

9

01643-71032

WASHER

SN: 70001-UP

6шт.

10

08034-40521

BAND

SN: 70001-UP

2шт.

11

08034-20519

BAND

SN: 70001-UP

3шт.

12

419-976-4111

STAY

SN: 70001-UP

1шт.

13

423-976-4230

MIRROR

SN: 70001-UP

1шт.

14

01010-81230

BOLT

SN: 70001-UP

3шт.

15

01643-31232

WASHER

SN: 70001-UP

3шт.

Выбрано товаров: 15