Запчасти Komatsu WA320PZ-6 ГИДРОЛИНИЯ (BYPASS КЛАПАН)(№7-) ГИДРАВЛИКА

Схема запчастей Komatsu WA320PZ-6 - ГИДРОЛИНИЯ (BYPASS КЛАПАН)(№7-) ГИДРАВЛИКА
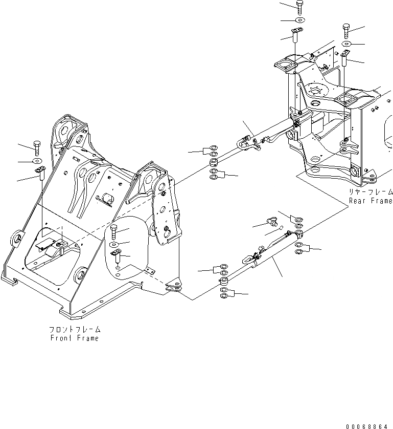
1
2
3
4
5
6
7
8
9
10
11
11
12
13
13
14
15
15
16
1
2
3
4
5
6
7
7
8
9
10
11
12
13
14
15
16
FIT
1:1
100%

Артикул

Название

Примечание

Количество

1

419-62-48141

BLOCK

SN: 70001-UP

1шт.

2

419-62-48131

BRACKET

SN: 70001-UP

1шт.

3

01010-81025

BOLT

SN: 70001-UP

2шт.

4

01643-31032

WASHER

SN: 70001-UP

2шт.

5

01010-81050

BOLT

SN: 70001-UP

3шт.

6

01643-31032

WASHER

SN: 70001-UP

3шт.

7

415-64-13120

WASHER

SN: 70001-UP

6шт.

8

419-43-17930

CUSHION

SN: 70001-UP

3шт.

9

415-64-13130

CUSHION

SN: 70001-UP

3шт.

10

417-62-14130

SPACER

SN: 70001-UP

3шт.

11

419-62-34380

VALVE ASS'Y

SN: 70001-UP

1шт.

12

04065-03212

RING

SN: 70001-UP

2шт.

13

07040-13316

PLUG

SN: 70001-UP

1шт.

14

07002-13334

O-RING

SN: 70001-UP

1шт.

15

07041-13612

PLUG

SN: 70001-UP

1шт.

16

07002-13634

O-RING

SN: 70001-UP

1шт.

Выбрано товаров: 0