Запчасти Komatsu WA320PZ-6 HST НАСОС (/7)(№7-) ОСНОВН. КОМПОНЕНТЫ И РЕМКОМПЛЕКТЫ

Схема запчастей Komatsu WA320PZ-6 - HST НАСОС (/7)(№7-) ОСНОВН. КОМПОНЕНТЫ И РЕМКОМПЛЕКТЫ
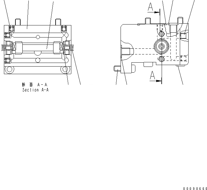
1
2
3
4
5
6
7
8
9
10
11
FIT
1:1
100%

Артикул

Название

Примечание

Количество

|$1

419-18-31102

PUMP

SN: 70001-UP

1шт.

|$$2

THIS ASSEMBLY CONSISTS OF ALL PARTS SHOWN IN FIGS.Y1610-01A0 TO Y1610-17A0.

-1шт.

|$3

0

VALVE

SN: 70001-UP

1шт.

|$5

0

VALVE,HOUSING

SN: 70001-UP

1шт.

1

0

VALVE,HOUSING

SN: 70001-UP

1шт.

2

UC1020481871

CONTROL PISTON

SN: 70001-UP

1шт.

3

UC1020817968

SPRING,COLLAR

SN: 70001-UP

2шт.

4

UC1700713621

SPRING

SN: 70001-UP

2шт.

5

UC1090830283

BOLT

SN: 70001-UP

4шт.

6

UC1090830219

BOLT

SN: 70001-UP

2шт.

7

0

PLUG

SN: 70001-UP

4шт.

8

0

PLUG,DOUBLE

SN: 70001-UP

1шт.

9

UC1300082002

O-RING

SN: 70001-UP

1шт.

10

UC1300034003

O-RING

SN: 70001-UP

3шт.

11

UC1300030001

O-RING

SN: 70001-UP

1шт.

Выбрано товаров: 0