Запчасти Komatsu WA320PZ-6 ВЫХЛОПНАЯ ТРУБА(№7-) КОМПОНЕНТЫ ДВИГАТЕЛЯ

Схема запчастей Komatsu WA320PZ-6 - ВЫХЛОПНАЯ ТРУБА(№7-) КОМПОНЕНТЫ ДВИГАТЕЛЯ
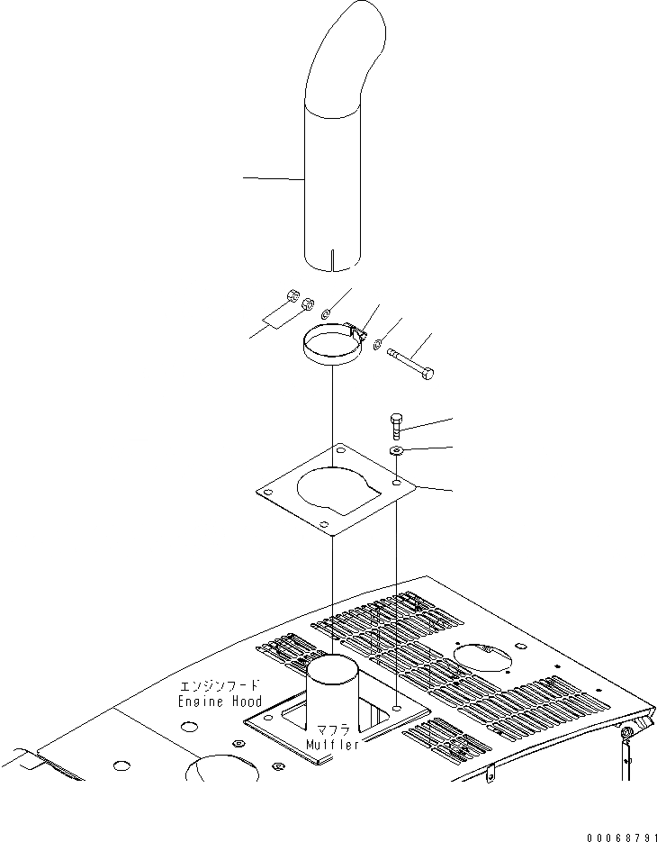
1
2
3
4
4
5
6
7
8
FIT
1:1
100%

Артикул

Название

Примечание

Количество

1

418-02-41110

EXHAUST PIPE

SN: 70001-UP

1шт.

2

421-02-31120

CLAMP

SN: 70001-UP

1шт.

3

01010-81285

BOLT

SN: 70001-UP

1шт.

4

01640-21223

WASHER

SN: 70001-UP

2шт.

5

01580-11210

NUT

SN: 70001-UP

2шт.

6

419-54-48402

PLATE

SN: 70001-UP

1шт.

7

01010-81220

BOLT

SN: 70001-UP

4шт.

8

130-43-64260

COLLAR

SN: 70001-UP

4шт.

Выбрано товаров: 8