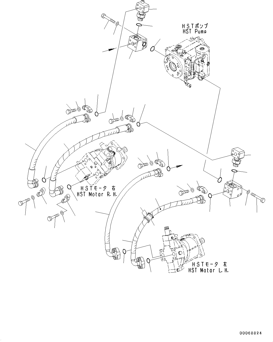
Запчасти Komatsu WA320PZ-6 HYDROSTATIC ТРАНСМИССИЯ (HST) (МАСЛОПРОВОДЯЩАЯ ЛИНИЯ) (ОСНОВН. ТРУБЫ) F ТРАНСМИССИЯ

Схема запчастей Komatsu WA320PZ-6 - HYDROSTATIC ТРАНСМИССИЯ (HST) (МАСЛОПРОВОДЯЩАЯ ЛИНИЯ) (ОСНОВН. ТРУБЫ) F ТРАНСМИССИЯ
2
3
6
1
a
5
4
a
13
9
12
10
8
11
12
9
13
22
25
26
23
19
7
24
26
23
19
10
12
9
13
24
21
28
20
13
19
27
26
23
19
14
17
16
18
15
6
FIT
1:1
100%

Артикул

Название

Примечание

Количество

1

419-18-31121

BLOCK

SN: 70092-70187

1шт.

2

419-18-41110

ELBOW

SN: 70092-70187

1шт.

3

07002-14234

O-RING

SN: 70092-70187

1шт.

4

01011-81420

BOLT

SN: 70092-70187

4шт.

5

01643-31445

WASHER

SN: 70092-70187

4шт.

6

07000-13038

O-RING

SN: 70092-70187

2шт.

7

419-18-32113

HOSE

SN: 70092-70187

1шт.

8

07084-01210

HOSE, FLANGE TYPE

SN: 70092-70187

1шт.

9

419-18-31260

FLANGE, SPLIT

SN: 70092-70187

8шт.

10

01010-81450

BOLT

SN: 70092-70187

12шт.

11

01010-81490

BOLT

SN: 70092-70187

4шт.

12

722-13-11530

WASHER

SN: 70092-70187

16шт.

13

07000-13038

O-RING

SN: 70092-70187

4шт.

14

419-18-31131

BLOCK

SN: 70092-70187

1шт.

15

419-18-31210

ELBOW

SN: 70092-70187

1шт.

16

01011-81435

BOLT

SN: 70092-70187

4шт.

17

01643-31445

WASHER

SN: 70092-70187

4шт.

18

07002-14234

O-RING

SN: 70092-70187

1шт.

19

07000-13038

O-RING

SN: 70092-70187

4шт.

20

419-18-42110

HOSE

SN: 70092-70187

1шт.

21

08210-02906

SPIRAL TUBE

SN: 70092-70187

1шт.

22

419-18-42340

HOSE

SN: 70092-70187

1шт.

23

419-18-31260

FLANGE, SPLIT

SN: 70092-70187

8шт.

24

01010-81450

BOLT

SN: 70092-70187

12шт.

25

01010-81490

BOLT

SN: 70092-70187

4шт.

26

722-13-11530

WASHER

SN: 70092-70187

16шт.

27

07095-01035

CUSHION

SN: 70092-70187

1шт.

28

08034-20834

BAND

SN: 70092-70187

2шт.

Выбрано товаров: 28