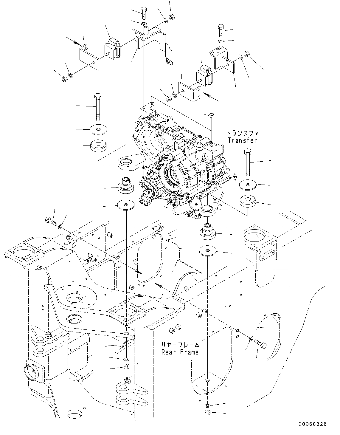
Запчасти Komatsu WA320PZ-6 КОРПУС ПЕРЕДАЧИ КРЕПЛЕНИЕ F ТРАНСМИССИЯ

Схема запчастей Komatsu WA320PZ-6 - КОРПУС ПЕРЕДАЧИ КРЕПЛЕНИЕ F ТРАНСМИССИЯ
1
2
4
5
7
6
11
12
13
14
15
5
8
12
13
14
15
12
13
11
13
12
18
7
6
5
5
8
3
10
9
9
10
17
16
17
16
a
a
b
b
FIT
1:1
100%

Артикул

Название

Примечание

Количество

1

419-14-31132

BRACKET, LHS

SN: 70092-70187

1шт.

2

419-14-48142

BRACKET, RHS

SN: 70092-70187

1шт.

3

419-14-31150

PLATE, LHS

SN: 70092-70187

1шт.

4

419-14-31160

PLATE, RHS

SN: 70092-70187

1шт.

5

418-01-11112

CUSHION

SN: 70092-70187

2шт.

6

419-01-11162

WASHER

SN: 70092-70187

2шт.

7

01011-62220

BOLT

SN: 70092-70187

2шт.

8

419-01-11162

WASHER

SN: 70092-70187

2шт.

9

01580-02218

NUT

SN: 70092-70187

2шт.

10

01643-32260

WASHER

SN: 70092-70187

2шт.

11

20S-01-71331

CUSHION

SN: 70092-70187

2шт.

12

01580-11008

NUT

SN: 70092-70187

4шт.

13

01643-31032

WASHER

SN: 70092-70187

4шт.

14

01016-51235

BOLT

SN: 70092-70187

4шт.

15

01643-31232

WASHER

SN: 70092-70187

4шт.

16

01016-51035

BOLT

SN: 70092-70187

4шт.

17

01643-31032

WASHER

SN: 70092-70187

4шт.

18

07049-01620

PLUG

SN: 70092-70187

2шт.

Выбрано товаров: 18