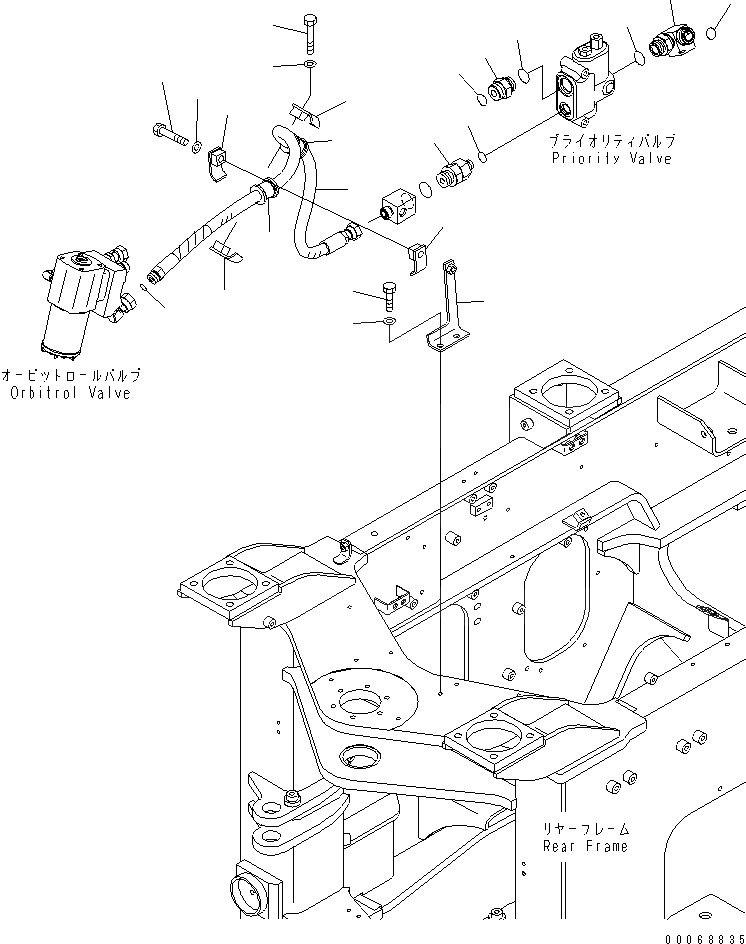
Запчасти Komatsu WA320PZ-6 КЛАПАН УПРАВЛЕНИЯ ПОВОРОТОМ (ДРЕНАЖН. ТРУБЫ) H ГИДРАВЛИКА

Схема запчастей Komatsu WA320PZ-6 - КЛАПАН УПРАВЛЕНИЯ ПОВОРОТОМ (ДРЕНАЖН. ТРУБЫ) H ГИДРАВЛИКА
4
3
2
2
1
4
8
7
9
13
15
14
10
9
6
5
10
9
11
12
9
12
11
FIT
1:1
100%

Артикул

Название

Примечание

Количество

1

418-62-32172

NIPPLE

SN: 70092-70187

1шт.

2

418-62-11630

O-RING

SN: 70092-70187

2шт.

3

419-62-31542

ELBOW

SN: 70092-70187

1шт.

4

11Y-62-11980

O-RING

SN: 70092-70187

2шт.

5

419-62-48312

HOSE, 1610MM

SN: 70092-70187

1шт.

6

02896-11015

O-RING

SN: 70092-70187

1шт.

7

419-62-31840

VALVE

SN: 70092-70187

1шт.

8

418-62-11620

O-RING

SN: 70092-70187

1шт.

9

07094-10518

CLIP

SN: 70092-70187

4шт.

10

07095-00523

CUSHION

SN: 70092-70187

2шт.

11

01010-81270

BOLT

SN: 70092-70187

2шт.

12

01643-31232

WASHER

SN: 70092-70187

2шт.

13

419-62-41170

BRACKET

SN: 70092-70187

1шт.

14

01010-81025

BOLT

SN: 70092-70187

2шт.

15

01643-31032

WASHER

SN: 70092-70187

2шт.

Выбрано товаров: 15