Качественные детали и логистика
Оригинальные и аналоговые запчасти с доставкой по России, Казахстану и Беларуси
©2022 PartSell ООО "Система" ИНН 2463123282 ОГРН 1212400004838
Центральный офис: г. Красноярск, Академика Киренского, д.87, пом.4
Телефон: 8 (800) 777-65-74 Email: zakaz@partsell.ru
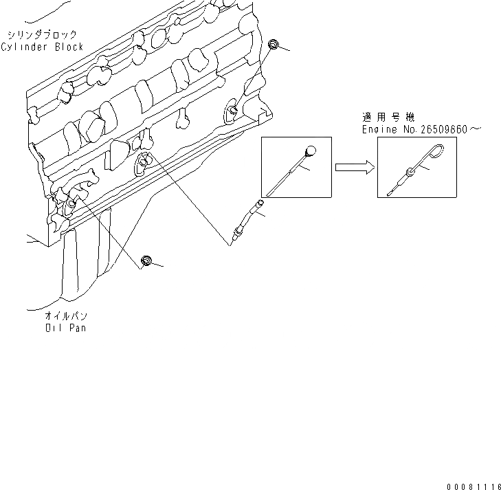
МАСЛ. ЩУП (ESN 9-)
№
Артикул
Название
Примечание
Количество
1
6732-21-5530
PLUG
SN: 26509424-UP
4шт.
2
6754-21-5411
GUIDE
1шт.
3
6754-21-5430
GAUGE
SN: 26509860-UP
6754-21-5420
SN: 26509424-26509859
Выбрано товаров: 0