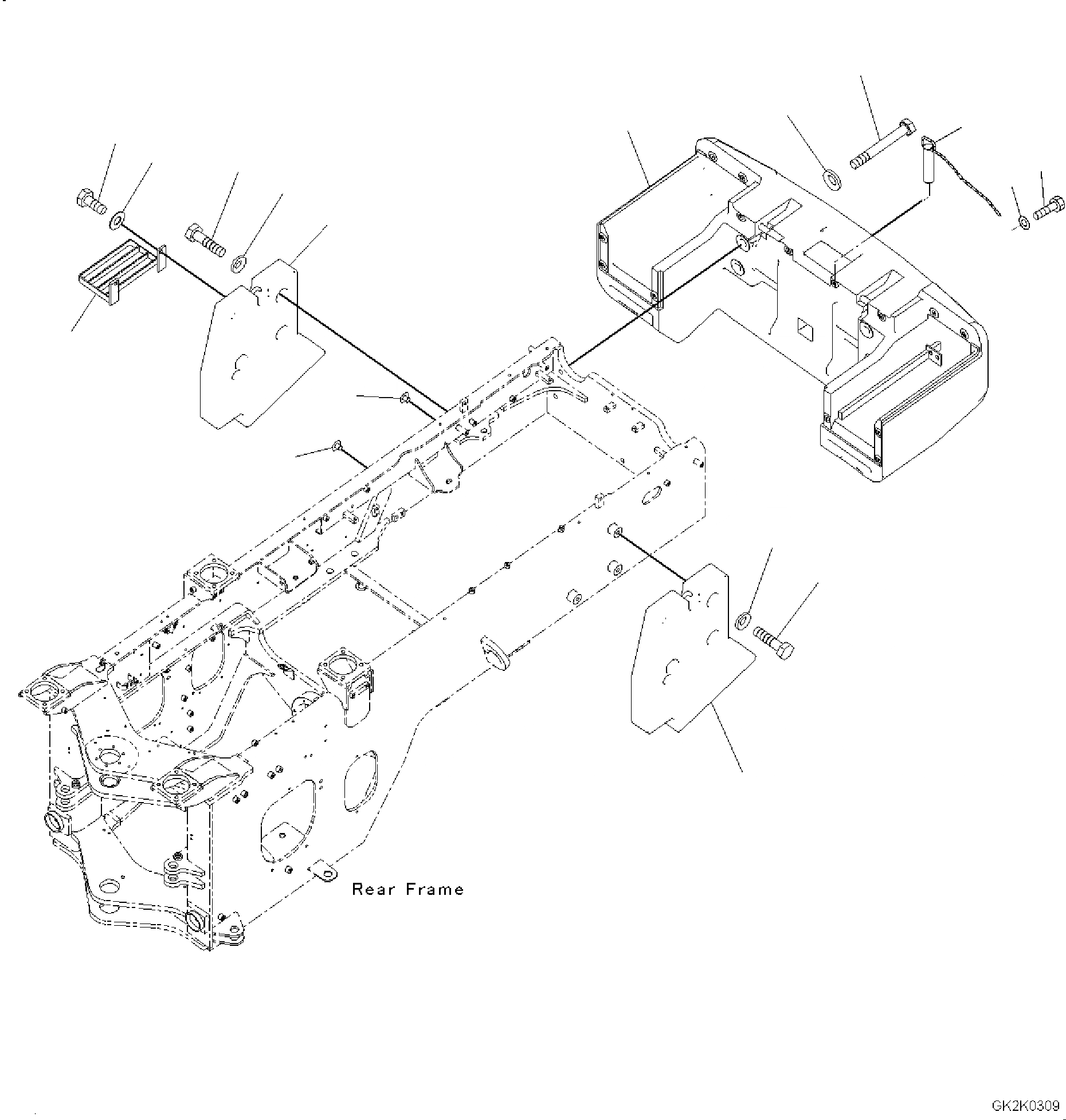
Запчасти Komatsu WA320PZ-6 ПРОТИВОВЕС (С ДОПОЛН. ВЕС) M ЧАСТИ КОРПУСА

Схема запчастей Komatsu WA320PZ-6 - ПРОТИВОВЕС (С ДОПОЛН. ВЕС) M ЧАСТИ КОРПУСА
2
3
1
9
5
10
12
6
7
13
11
9
8
4
4
13
12
11
FIT
1:1
100%

Артикул

Название

Примечание

Количество

1

419-46-35210

COUNTERWEIGHT

SN: 70092-70187

1шт.

2

01011-62480

BOLT

SN: 70092-70187

4шт.

3

01643-32460

WASHER

SN: 70092-70187

4шт.

4

21X-54-32350

CAP

SN: 70092-70187

2шт.

5

418-46-35240

PIN

SN: 70092-70187

1шт.

6

01010-80816

BOLT

SN: 70092-70187

1шт.

7

01643-30823

WASHER

SN: 70092-70187

1шт.

8

418-04-31181

STEP

SN: 70092-70187

1шт.

9

01016-51235

BOLT

SN: 70092-70187

2шт.

10

01643-31232

WASHER

SN: 70092-70187

2шт.

11

419-T80-4961

WEIGHT

SN: 70092-70187

2шт.

12

01010-62075

BOLT

SN: 70092-70187

6шт.

13

01643-32060

WASHER

SN: 70092-70187

6шт.

Выбрано товаров: 13