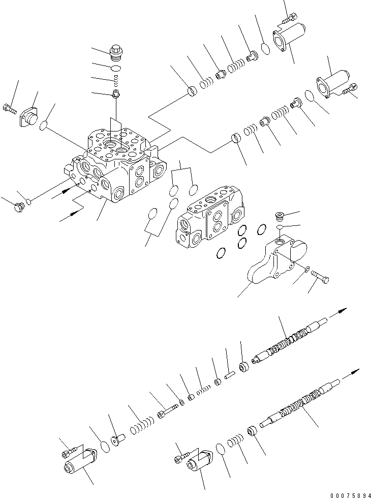
Запчасти Komatsu WA320PZ-6 ГИДРАВЛ УПРАВЛЯЮЩ. КЛАПАН (3-Х СЕКЦИОНН. КЛАПАН ARRANGEMENT) (ВНУТР. ЧАСТИ) (/) Y ОСНОВН. КОМПОНЕНТЫ И РЕМКОМПЛЕКТЫ

Схема запчастей Komatsu WA320PZ-6 - ГИДРАВЛ УПРАВЛЯЮЩ. КЛАПАН (3-Х СЕКЦИОНН. КЛАПАН ARRANGEMENT) (ВНУТР. ЧАСТИ) (/) Y ОСНОВН. КОМПОНЕНТЫ И РЕМКОМПЛЕКТЫ
28
29
27
26
31
30
32
3
2
a
a
b
b
4
6
10
14
12
11
22
11
14
9
20
15
16
18
21
19
17
6
33
5
37
36
35
34
25
1
25
6
24
7
23
8
14
11
22
22
11
14
8
23
7
24
13
FIT
1:1
100%

Артикул

Название

Примечание

Количество

|$1

709-93-13300

VALVE ASSEMBLY, CONTROL

SN: 70092-70187

1шт.

|$2

700-92-00120

BODY SUB ASSEMBLY

SN: 70092-70187

1шт.

1

0

BODY

SN: 70092-70187

1шт.

2

700-22-11370

PLUG

SN: 70092-70187

4шт.

3

07002-12434

O-RING

SN: 70092-70187

4шт.

4

0

SPOOL

SN: 70092-70187

1шт.

5

0

SPOOL

SN: 70092-70187

1шт.

6

709-94-91130

RETAINER

SN: 70092-70187

3шт.

7

709-94-92530

RETAINER

SN: 70092-70187

2шт.

8

709-94-92540

RETAINER

SN: 70092-70187

2шт.

9

709-94-91170

RETAINER

SN: 70092-70187

1шт.

10

709-94-91120

SPRING

SN: 70092-70187

1шт.

11

01252-60820

BOLT

SN: 70092-70187

8шт.

12

709-94-91210

CASE

SN: 70092-70187

1шт.

13

700-92-11750

RETAINER

SN: 70092-70187

1шт.

14

07430-71380

O-RING

SN: 70092-70187

4шт.

15

700-22-11910

BOLT

SN: 70092-70187

1шт.

16

01643-30623

WASHER

SN: 70092-70187

1шт.

17

700-92-11730

COLLAR

SN: 70092-70187

1шт.

18

700-92-11910

RETAINER

SN: 70092-70187

1шт.

19

700-92-11740

RETAINER

SN: 70092-70187

1шт.

20

700-92-11880

SPRING

SN: 70092-70187

1шт.

21

700-92-11890

SPRING

SN: 70092-70187

1шт.

22

709-94-92560

CASE

SN: 70092-70187

3шт.

23

700-92-11760

SPRING

SN: 70092-70187

2шт.

24

709-94-92510

SPRING

SN: 70092-70187

2шт.

25

07000-13038

O-RING

SN: 70092-70187

4шт.

26

700-93-11461

VALVE

SN: 70092-70187

2шт.

27

700-93-11471

SPRING

SN: 70092-70187

2шт.

28

700-93-11481

PLUG

SN: 70092-70187

2шт.

29

07002-13634

O-RING

SN: 70092-70187

2шт.

30

700-93-12111

FLANGE

SN: 70092-70187

1шт.

31

07000-13035

O-RING

SN: 70092-70187

1шт.

32

01010-81025

BOLT

SN: 70092-70187

2шт.

33

700-92-11870

COVER

SN: 70092-70187

1шт.

34

723-26-15230

PLUG

SN: 70092-70187

1шт.

35

07002-12434

O-RING

SN: 70092-70187

1шт.

36

01011-81235

BOLT

SN: 70092-70187

4шт.

37

01643-51232

WASHER

SN: 70092-70187

4шт.

Выбрано товаров: 39