Запчасти Komatsu WA320PZ-6 ТОПЛИВОПРОВОД. (ESN 7-) AA ДВИГАТЕЛЬ

Схема запчастей Komatsu WA320PZ-6 - ТОПЛИВОПРОВОД. (ESN 7-) AA ДВИГАТЕЛЬ
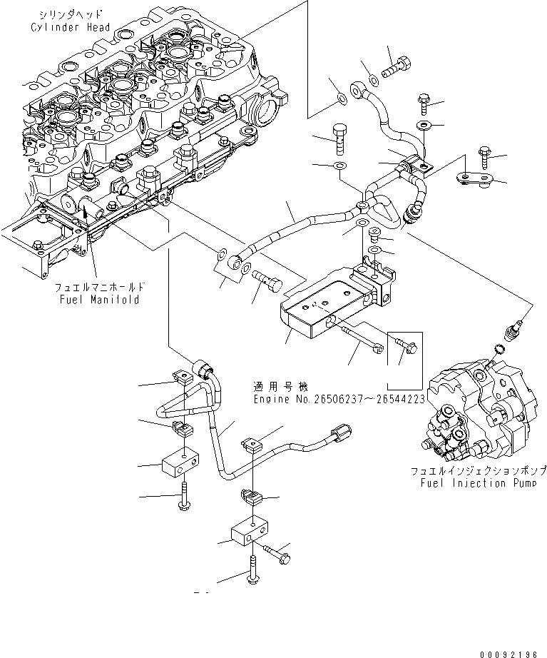
1
2
3
4
5
6
7
7
7
7
7
8
8
9
10
11
12
13
14
15
16
17
17
18
18
19
19
20
20
21
FIT
1:1
100%

Артикул

Название

Примечание

Количество

1

6754-71-5410

CONNECTOR

SN: 26506237-UP

1шт.

2

6732-61-6140

BOLT

SN: 26506237-26544223

1шт.

3

6736-81-8730

BOLT

SN: 26506237-UP

2шт.

4

6754-71-5421

TUBE

SN: 26545206-UP

1шт.

4

0

TUBE

SN: 26506237-26545205

1шт.

5

6735-71-3821

SEAL

SN: 26506237-UP

1шт.

6

6754-71-5430

VALVE

SN: 26506237-UP

1шт.

7

07005-01212

SEAL

SN: 26506237-UP

6шт.

8

6732-71-6510

BOLT

SN: 26506237-UP

2шт.

9

6754-71-5150

PLUG

SN: 26506237-UP

1шт.

10

6754-71-5450

BRACKET

SN: 26506237-UP

1шт.

11

6732-21-6630

BOLT

SN: 26506237-UP

1шт.

12

04434-51708

CLIP

SN: 26506237-UP

1шт.

13

07095-20211

CUSHION

SN: 26506237-UP

1шт.

14

6732-21-3120

BOLT

SN: 26506237-UP

1шт.

15

154-61-16570

WASHER

SN: 26506237-UP

1шт.

|$19

6754-71-5120

TUBE ASSEMBLY

SN: 26506237-UP

1шт.

16

6754-71-5130

TUBE

SN: 26506237-UP

1шт.

17

6754-71-5140

PLATE

SN: 26506237-UP

2шт.

18

6217-71-6670

CLAMP

SN: 26506237-UP

2шт.

19

6217-71-6660

CLAMP

SN: 26506237-UP

2шт.

20

6733-71-5830

BOLT

SN: 26506237-UP

2шт.

21

6732-61-3110

BOLT

SN: 26506237-UP

2шт.

Выбрано товаров: 23