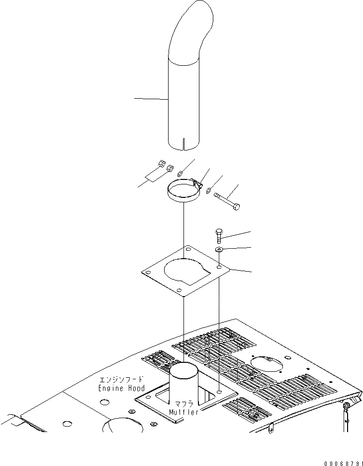
Запчасти Komatsu WA320PZ-6 ВЫХЛОПНАЯ ТРУБА B КОМПОНЕНТЫ ДВИГАТЕЛЯ

Схема запчастей Komatsu WA320PZ-6 - ВЫХЛОПНАЯ ТРУБА B КОМПОНЕНТЫ ДВИГАТЕЛЯ
1
5
4
2
4
3
7
8
6
FIT
1:1
100%

Артикул

Название

Примечание

Количество

1

418-02-41110

EXHAUST PIPE

SN: 70092-70187

1шт.

2

421-02-31120

CLAMP

SN: 70092-70187

1шт.

3

01010-81285

BOLT

SN: 70092-70187

1шт.

4

01640-21223

WASHER, FLAT

SN: 70092-70187

2шт.

5

01580-11210

NUT

SN: 70092-70187

2шт.

6

419-54-48402

COVER

SN: 70092-70187

1шт.

7

01010-81220

BOLT

SN: 70092-70187

4шт.

8

130-43-64260

COLLAR

SN: 70092-70187

4шт.

Выбрано товаров: 8