Запчасти Komatsu WA320PZ-6 КОМПОНЕНТЫ ДВИГАТЕЛЯ, STARTING ПРОВОДКА (№7-) КОМПОНЕНТЫ ДВИГАТЕЛЯ, С 9AMP. ГЕНЕРАТОР

Схема запчастей Komatsu WA320PZ-6 - КОМПОНЕНТЫ ДВИГАТЕЛЯ, STARTING ПРОВОДКА (№7-) КОМПОНЕНТЫ ДВИГАТЕЛЯ, С 9AMP. ГЕНЕРАТОР
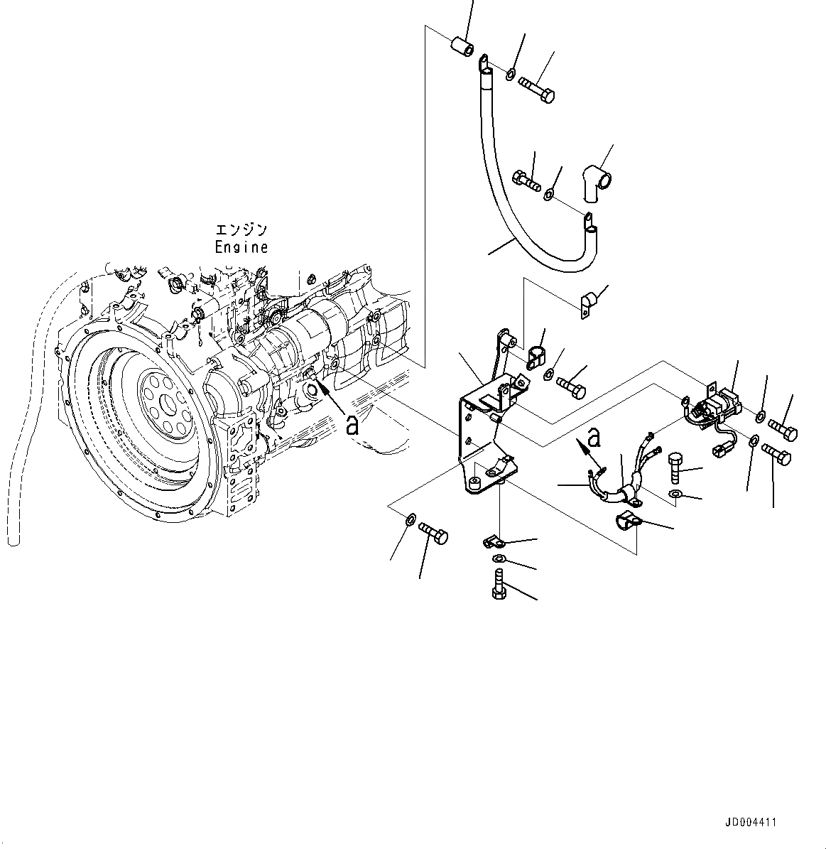
23
22
21
20
19
18
17
16
15
14
13
12
11
9
8
7
6
5
4
3
2
1
4
3
5
10
24
FIT
1:1
100%

Артикул

Название

Примечание

Количество

1

418-06-42320

Wire

SN: 70452-UP

1шт.

2

600-051-2200

Clip

SN: 70452-UP

1шт.

3

600-051-2100

Clip

SN: 70452-UP

2шт.

4

01010-81020

Bolt

SN: 70452-UP

2шт.

5

01643-31032

Washer

SN: 70452-UP

2шт.

6

419-06-42251

Cable

SN: 70452-UP

1шт.

7

01010-81220

Bolt

SN: 70452-UP

1шт.

8

01643-31232

Washer

SN: 70452-UP

1шт.

9

205-03-71330

Collar

SN: 70452-UP

1шт.

10

01010-81260

Bolt

SN: 70452-UP

1шт.

11

01643-31232

Washer

SN: 70452-UP

1шт.

12

08038-06031

Cap

SN: 70452-UP

1шт.

13

11Y-06-11391

Switch, Starter Relay

SN: 70452-UP

1шт.

14

01010-80612

Bolt

SN: 70452-UP

2шт.

15

01643-30623

Washer

SN: 70452-UP

2шт.

16

419-06-48223

Bracket

SN: 70452-UP

1шт.

17

01010-81225

Bolt

SN: 70452-UP

3шт.

18

01643-31232

Washer

SN: 70452-UP

3шт.

19

01010-80816

Bolt

SN: 70452-UP

1шт.

20

01643-30823

Washer

SN: 70452-UP

1шт.

21

600-051-3240

Clip

SN: 70452-UP

1шт.

22

01010-81020

Bolt

SN: 70452-UP

1шт.

23

01643-31032

Washer

SN: 70452-UP

1шт.

24

04434-51612

Clip

SN: 70452-UP

1шт.

Выбрано товаров: 0