Запчасти Komatsu WA320PZ-6 ПАЛЕЦ(№7-) HINGE ПАЛЕЦ

Схема запчастей Komatsu WA320PZ-6 - ПАЛЕЦ(№7-) HINGE ПАЛЕЦ
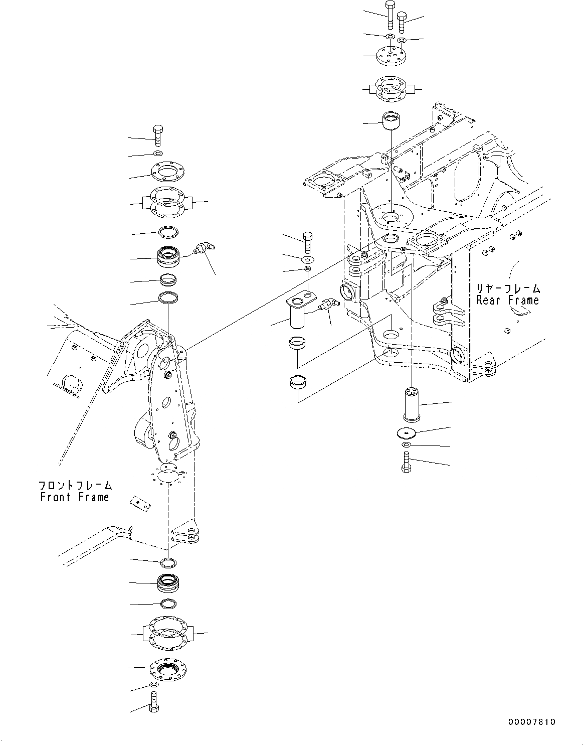
1
2
3
4
5
6
7
8
9
10
11
12
13
14
16
17
18
19
20
21
22
23
24
25
26
27
28
29
30
8
15
5
12
2
23
FIT
1:1
100%

Артикул

Название

Примечание

Количество

1

419-46-11350

Retainer

SN: 70452-UP

1шт.

2

421-46-11382

Shim, T=0.5mm

SN: 71816-UP

4шт.

2

421-46-11381

Shim, T=0.5mm

SN: 70452-71815

4шт.

|$3

421-46-11372

Shim, T=0.1mm

SN: 71816-UP

8шт.

|$4

421-46-11371

Shim, T=0.1mm

SN: 70452-71815

8шт.

3

01010-81230

Bolt

SN: 70452-UP

10шт.

4

01643-31232

Washer

SN: 70452-UP

10шт.

5

419-09-11110

Seal, Dust

SN: 70452-UP

2шт.

6

07020-00675

Fitting, Grease

SN: 70452-UP

1шт.

7

419-46-11180

Spacer

SN: 70452-UP

1шт.

8

419-46-11230

Seal, Dust

SN: 70452-UP

2шт.

9

419-46-11200

Retainer

SN: 70452-UP

1шт.

10

01010-81235

Bolt

SN: 70452-UP

6шт.

11

01643-31232

Washer

SN: 70452-UP

6шт.

12

419-46-11250

Shim, T=0.1mm

SN: 70452-UP

8шт.

12

419-46-11260

Shim, T=0.5mm

SN: 70452-UP

2шт.

|$16

419-46-11270

Shim, T=1.0mm

SN: 70452-UP

4шт.

13

07020-00675

Fitting, Grease

SN: 70452-UP

1шт.

14

419-46-11360

Bearing

SN: 70452-UP

1шт.

15

419-46-11281

Bearing

SN: 70452-UP

1шт.

16

419-46-23210

Shaft

SN: 70452-UP

1шт.

17

419-46-11170

Spacer

SN: 70452-UP

1шт.

18

419-46-33220

Cover

SN: 70452-UP

1шт.

19

01010-61695

Bolt

SN: 70452-UP

3шт.

20

01643-31645

Washer

SN: 70452-UP

3шт.

21

01010-81245

Bolt

SN: 70452-UP

6шт.

22

01643-31232

Washer

SN: 70452-UP

6шт.

23

419-46-11211

Shim, T=0.1mm

SN: 70452-UP

8шт.

23

419-46-11221

Shim, T=0.5mm

SN: 70452-UP

6шт.

24

419-46-41190

Pin

SN: 70470-UP

1шт.

24

419-46-11330

Pin

SN: 70452-70469

1шт.

25

01010-81640

Bolt

SN: 70452-UP

1шт.

26

421-70-11280

Washer

SN: 70452-UP

1шт.

27

419-46-11340

Bushing

SN: 70452-UP

1шт.

28

419-70-11340

Plate

SN: 70452-UP

1шт.

29

01010-81630

Bolt

SN: 70452-UP

1шт.

30

01643-31645

Washer

SN: 70452-UP

1шт.

Выбрано товаров: 0