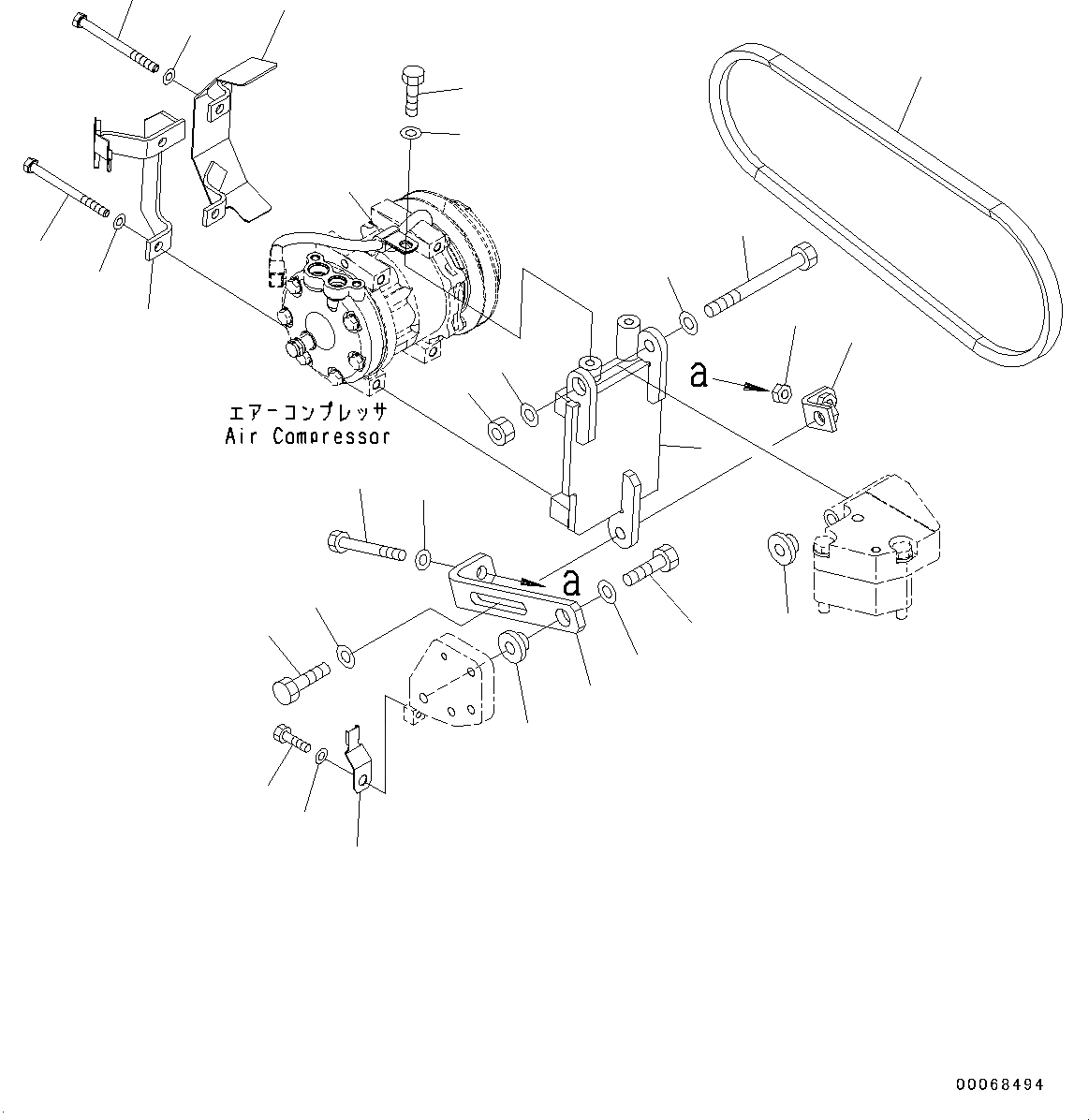
Запчасти Komatsu WA320PZ-6 КОНДИЦ. ВОЗДУХА КОНДЕНСАТОР И ТРУБЫ, КОРПУС (№7-) КОНДИЦ. ВОЗДУХА КОНДЕНСАТОР И ТРУБЫ, БЕЗ 9AMP. ГЕНЕРАТОР

Схема запчастей Komatsu WA320PZ-6 - КОНДИЦ. ВОЗДУХА КОНДЕНСАТОР И ТРУБЫ, КОРПУС (№7-) КОНДИЦ. ВОЗДУХА КОНДЕНСАТОР И ТРУБЫ, БЕЗ 9AMP. ГЕНЕРАТОР
15
4
18
2
16
19
24
6
9
7
5
10
21
7
8
1
14
23
4
5
25
3
13
12
11
26
22
20
17
FIT
1:1
100%

Артикул

Название

Примечание

Количество

1

418-S62-4810

Bracket

SN: 70452-UP

1шт.

2

419-S62-4510

Bracket

SN: 70525-UP

1шт.

2

418-S62-4290

Cover

SN: 70452-70524

1шт.

3

419-S62-4883

Bracket

SN: 70452-70524

1шт.

4

21W-979-4420

Bolt

SN: 70452-UP

4шт.

5

01643-30823

Washer

SN: 70452-UP

4шт.

6

01011-81230

Bolt

SN: 70452-UP

1шт.

7

01643-31232

Washer

SN: 70452-UP

2шт.

8

01580-11210

Nut

SN: 70452-UP

1шт.

9

419-07-11761

Collar

SN: 70452-UP

1шт.

10

418-S62-4870

Plate

SN: 70452-UP

1шт.

11

01010-81240

Bolt

SN: 70452-UP

1шт.

12

01643-31232

Washer

SN: 70452-UP

1шт.

13

419-07-11761

Collar

SN: 70452-UP

1шт.

14

418-S62-4840

Plate

SN: 70452-UP

1шт.

15

01010-81240

Bolt

SN: 70452-UP

1шт.

16

01643-31232

Washer

SN: 70452-UP

1шт.

17

01016-51090

Bolt

SN: 70452-UP

1шт.

18

01643-31032

Washer

SN: 70452-UP

1шт.

19

01580-11008

Nut

SN: 70452-UP

1шт.

20

600-051-2100

Clip

SN: 70452-UP

1шт.

21

01010-81020

Bolt

SN: 70452-UP

1шт.

22

01643-31032

Washer

SN: 70452-UP

1шт.

23

08193-20010

Clip

SN: 70452-UP

1шт.

24

01010-80816

Bolt

SN: 70452-UP

1шт.

25

01643-30823

Washer

SN: 70452-UP

1шт.

26

04120-21744

V-belt

SN: 70452-UP

1шт.

Выбрано товаров: 27