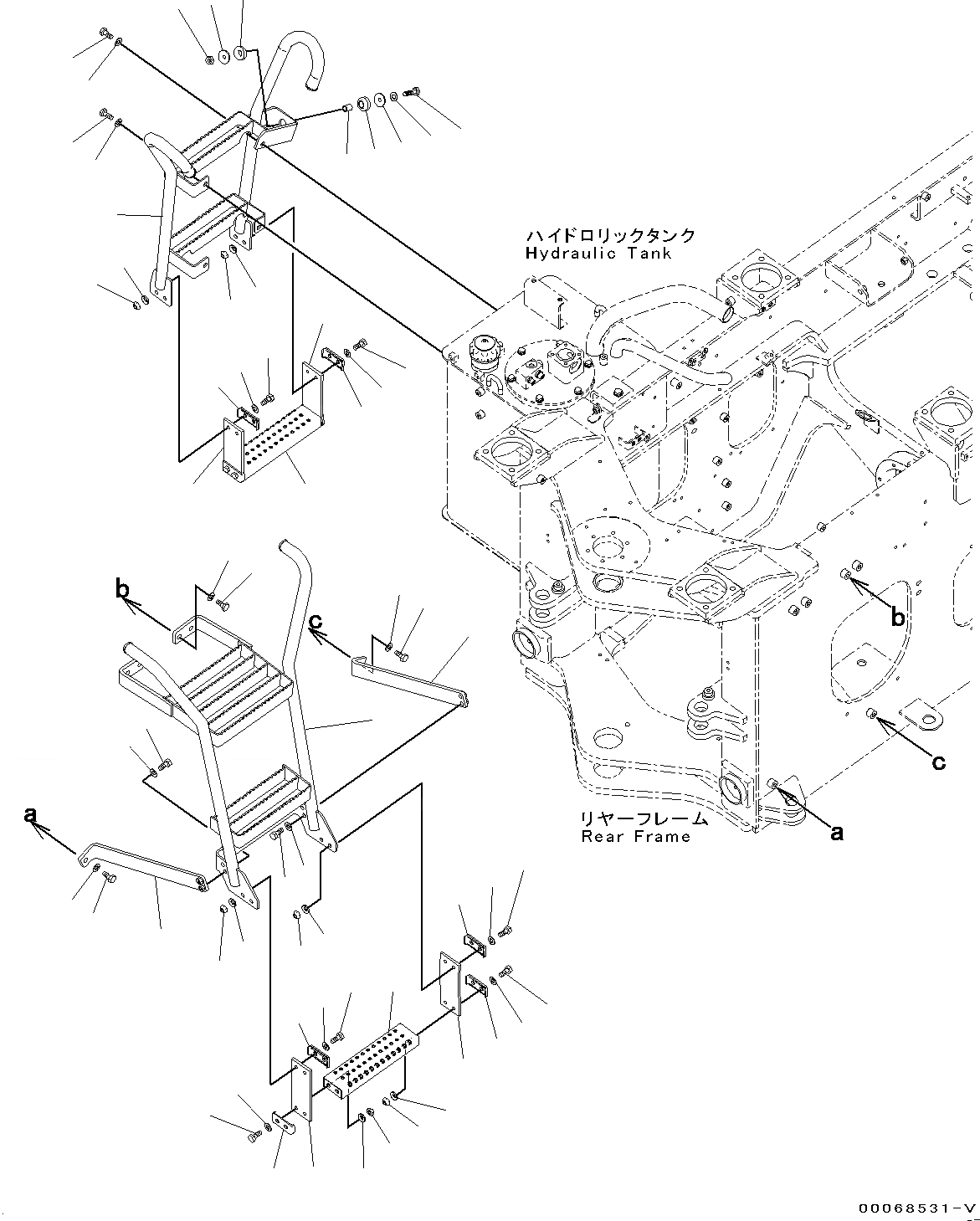
Запчасти Komatsu WA320PZ-6 ЛЕСТНИЦА (№7-) ЛЕСТНИЦА

Схема запчастей Komatsu WA320PZ-6 - ЛЕСТНИЦА (№7-) ЛЕСТНИЦА
1
2
23
23
22
24
24
24
24
25
25
25
25
28
28
28
28
27
27
27
27
4
8
5
8
6
6
9
9
3
7
7
26
26
26
26
10
13
11
23
23
22
24
24
25
25
28
28
27
27
17
15
16
18
18
19
26
26
14
12
21
20
FIT
1:1
100%

Артикул

Название

Примечание

Количество

1

419-54-48955

Ladder,L.H.

SN: 71422-UP

1шт.

1

419-54-48954

Ladder,L.H.

SN: 70452-71421

1шт.

2

01010-81225

Bolt

SN: 70452-UP

4шт.

3

01643-31232

Washer

SN: 70452-UP

4шт.

4

419-54-42160

Plate

SN: 70452-UP

1шт.

5

419-54-42172

Plate

SN: 70452-UP

1шт.

6

01010-D1030

Bolt

SN: 70452-UP

4шт.

7

01643-71032

Washer

SN: 70452-UP

4шт.

8

01010-81230

Bolt

SN: 70452-UP

2шт.

9

01643-31232

Washer

SN: 70452-UP

2шт.

10

419-54-48963

Ladder,R.H.

SN: 71422-UP

1шт.

10

419-54-48962

Ladder,R.H.

SN: 70452-71421

1шт.

11

01010-81225

Bolt

SN: 70452-UP

3шт.

12

01643-31232

Washer

SN: 70452-UP

3шт.

13

01010-81230

Bolt

SN: 70452-UP

1шт.

14

01643-31232

Washer

SN: 70452-UP

1шт.

15

419-43-17930

Cushion

SN: 70452-UP

1шт.

16

417-54-13470

Spacer

SN: 70452-UP

1шт.

17

415-64-13130

Cushion

SN: 70452-UP

1шт.

18

415-64-13120

Washer

SN: 70452-UP

2шт.

19

01580-11008

Nut

SN: 70452-UP

1шт.

20

01010-81045

Bolt

SN: 70452-UP

1шт.

21

01643-31032

Washer

SN: 70452-UP

1шт.

22

421-54-34611

Step

SN: 70452-UP

2шт.

23

424-54-44881

Rubber

SN: 70452-UP

4шт.

24

428-T86-1650

Plate

SN: 70452-UP

8шт.

25

01010-D1045

Bolt

SN: 70544-UP

16шт.

25

01010-D1040

Bolt

SN: 70452-70543

16шт.

26

01643-71032

Washer

SN: 70452-UP

16шт.

27

01596-01009

Nut, Flanged

SN: 70452-UP

16шт.

28

01643-71032

Washer

SN: 70452-UP

16шт.

Выбрано товаров: 0