Запчасти Komatsu WA320PZ-6 ПЕРЕДАЧА, КОРПУС (№7-) ПЕРЕДАЧА, С ЗАЩИТА ОТ ВАНДАЛИЗМА БЛОКИР.S

Схема запчастей Komatsu WA320PZ-6 - ПЕРЕДАЧА, КОРПУС (№7-) ПЕРЕДАЧА, С ЗАЩИТА ОТ ВАНДАЛИЗМА БЛОКИР.S
3
1
12
2
10
11
4
5
12
12
6
13
3
9
14
7
8
12
12
14
16
15
FIT
1:1
100%

Артикул

Название

Примечание

Количество

|$0

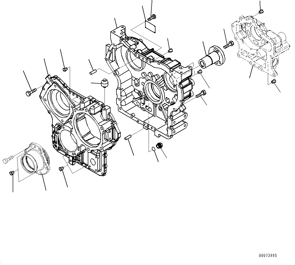
419-17-31003

Transfer Assembly

SN: 70452-UP

1шт.

|$1

419-17-31104

Case Group

SN: 70452-UP

1шт.

1

Case,Front

SN: 70452-UP

1шт.

2

Case,Rear

SN: 70452-UP

1шт.

3

01010-81235

Bolt

SN: 70452-UP

22шт.

4

418-17-32811

Shaft

SN: 70452-UP

1шт.

5

01010-81235

Bolt

SN: 70452-UP

3шт.

6

07043-A0211

Plug, Taper

SN: 70452-UP

2шт.

7

07044-12412

Plug

SN: 70452-UP

1шт.

8

07002-12434

O-ring

SN: 70452-UP

1шт.

9

07030-00252

Breather

SN: 70452-UP

1шт.

10

09608-05080

Plate, Name (Limited Supply)

SN: 70452-UP

1шт.

11

04418-13060

Screw

SN: 70452-UP

4шт.

12

07049-01215

Plug

SN: 70452-UP

10шт.

13

07049-01620

Plug

SN: 70452-UP

1шт.

14

04020-01228

Pin, Dowel

SN: 70452-UP

2шт.

15

418-17-38116

Housing

SN: UP

-1шт.

16

418-17-31132

Cage

SN: UP

-1шт.

Выбрано товаров: 18