Запчасти Komatsu WA320PZ-6 КЛАПАН УПРАВЛЕНИЯ ПОВОРОТОМ, С ЭКСТРЕНН. УПРАВЛ., ПРИОРИТЕТН. КЛАПАН (№77-) КЛАПАН УПРАВЛЕНИЯ ПОВОРОТОМ, С ЭКСТРЕНН. УПРАВЛ.

Схема запчастей Komatsu WA320PZ-6 - КЛАПАН УПРАВЛЕНИЯ ПОВОРОТОМ, С ЭКСТРЕНН. УПРАВЛ., ПРИОРИТЕТН. КЛАПАН (№77-) КЛАПАН УПРАВЛЕНИЯ ПОВОРОТОМ, С ЭКСТРЕНН. УПРАВЛ.
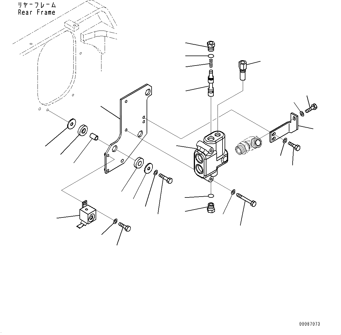
14
6
1
21
16
22
17
4
3
14
23
20
19
2
24
6
7
13
8
5
15
12
18
9
10
11
FIT
1:1
100%

Артикул

Название

Примечание

Количество

|$0

419-64-35301

Valve Assembly, Priority

SN: 70452-UP

1шт.

1

Housing

SN: 70452-UP

1шт.

2

Spool

SN: 70452-UP

1шт.

3

416-64-15230

Spring

SN: 70452-UP

1шт.

4

419-64-35430

Valve Assembly, Relief

SN: 70452-UP

1шт.

5

418-64-25330

Plug

SN: 70452-UP

1шт.

6

416-64-15260

O-ring

SN: 70452-UP

2шт.

7

416-64-15270

Plug

SN: 70452-UP

1шт.

8

419-64-45211

Bracket

SN: 71572-UP

1шт.

9

419-64-35220

Block

SN: 71572-UP

1шт.

10

01010-80820

Bolt

SN: 71572-UP

2шт.

11

01643-30823

Washer

SN: 71572-UP

2шт.

12

01010-81050

Bolt

SN: 70452-UP

3шт.

13

01643-31032

Washer

SN: 70452-UP

3шт.

14

415-64-13120

Washer

SN: 70452-UP

6шт.

15

419-43-17930

Cushion

SN: 70452-UP

3шт.

16

415-64-13130

Cushion

SN: 70452-UP

3шт.

17

417-62-14130

Spacer

SN: 70452-UP

3шт.

18

01010-80880

Bolt

SN: 70452-UP

2шт.

19

01643-30823

Washer

SN: 70452-UP

2шт.

20

419-62-31660

Bracket

SN: 70452-UP

1шт.

21

01010-80820

Bolt

SN: 70452-UP

1шт.

22

01643-30823

Washer

SN: 70452-UP

1шт.

23

01010-80825

Bolt

SN: 70452-UP

2шт.

24

01643-30823

Washer

SN: 70452-UP

2шт.

Выбрано товаров: 25