Запчасти Komatsu WA320PZ-6 КЛАПАН УПРАВЛЕНИЯ ПОВОРОТОМ, С ЭКСТРЕНН. УПРАВЛ., ТРУБЫ (№77-) КЛАПАН УПРАВЛЕНИЯ ПОВОРОТОМ, С ЭКСТРЕНН. УПРАВЛ.

Схема запчастей Komatsu WA320PZ-6 - КЛАПАН УПРАВЛЕНИЯ ПОВОРОТОМ, С ЭКСТРЕНН. УПРАВЛ., ТРУБЫ (№77-) КЛАПАН УПРАВЛЕНИЯ ПОВОРОТОМ, С ЭКСТРЕНН. УПРАВЛ.
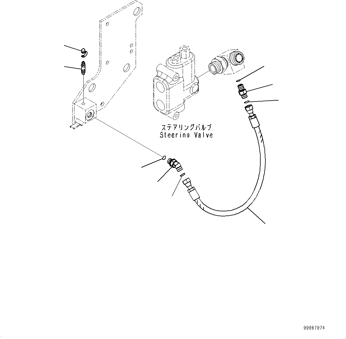
9
8
5
4
6
2
1
3
7
FIT
1:1
100%

Артикул

Название

Примечание

Количество

1

20Y-62-41970

Nipple

SN: 71572-UP

1шт.

2

07002-11423

O-ring

SN: 71572-UP

1шт.

3

02896-11008

O-ring

SN: 71572-UP

1шт.

4

02783-10210

Elbow

SN: 71572-UP

1шт.

5

07002-11423

O-ring

SN: 71572-UP

1шт.

6

02896-11008

O-ring

SN: 71572-UP

1шт.

7

02765-00205

Hose, Face Seal Type

SN: 71572-UP

1шт.

8

419-33-11460

Bleeder

SN: 71572-UP

1шт.

9

566-32-11620

Cap

SN: 71572-UP

1шт.

Выбрано товаров: 0