Запчасти Komatsu WA320PZ-6 ГИДРАВЛ МАСЛ. НАСОС, ВСАСЫВ. ТРУБЫ (№7-) ГИДРАВЛ МАСЛ. НАСОС

Схема запчастей Komatsu WA320PZ-6 - ГИДРАВЛ МАСЛ. НАСОС, ВСАСЫВ. ТРУБЫ (№7-) ГИДРАВЛ МАСЛ. НАСОС
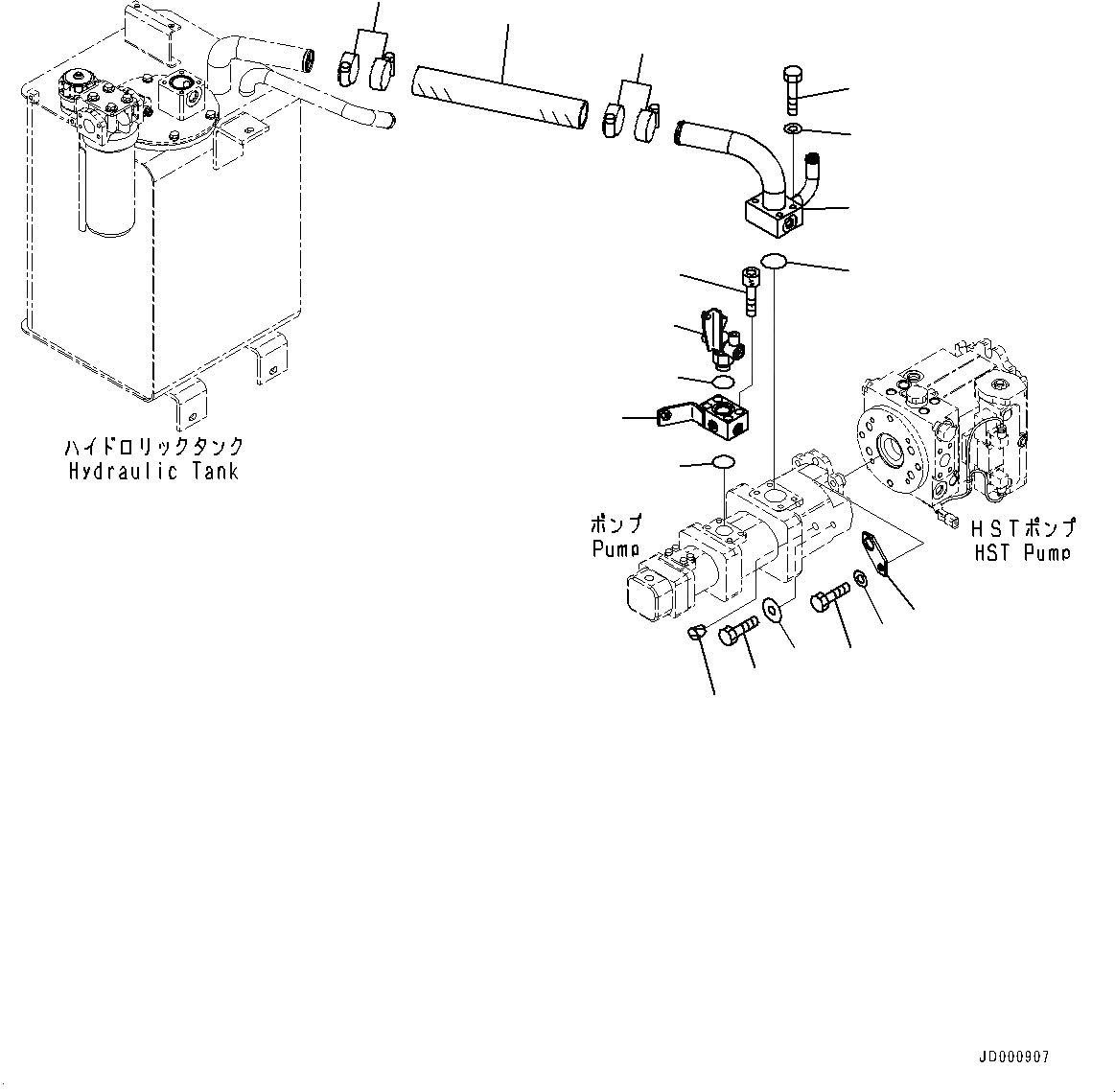
17
16
15
14
13
12
11
10
9
8
7
6
5
4
3
2
1
8
FIT
1:1
100%

Артикул

Название

Примечание

Количество

1

01010-81240

Bolt

SN: 70452-UP

4шт.

2

01010-81650

Bolt

SN: 70452-UP

1шт.

3

01643-31645

Washer

SN: 70452-UP

1шт.

4

175-54-34170

Washer

SN: 70452-UP

4шт.

5

419-62-33950

Plate

SN: 70452-UP

1шт.

6

07049-02025

Plug

SN: 70452-UP

1шт.

7

419-62-48361

Hose

SN: 70452-UP

1шт.

8

07289-00070

Clamp

SN: 70452-UP

4шт.

9

419-62-48351

Tube

SN: 70452-UP

1шт.

10

07000-12060

O-ring

SN: 70452-UP

1шт.

11

01010-81270

Bolt

SN: 70452-UP

4шт.

12

01643-31232

Washer

SN: 70452-UP

4шт.

13

419-62-34291

Block

SN: 70452-UP

1шт.

14

07000-13048

O-ring

SN: 70452-UP

1шт.

15

01252-81255

Bolt, Hexagon Socket Head

SN: 70452-UP

4шт.

16

419-62-48432

Tee

SN: 70452-UP

1шт.

17

07002-13334

O-ring

SN: 70452-UP

1шт.

Выбрано товаров: 17