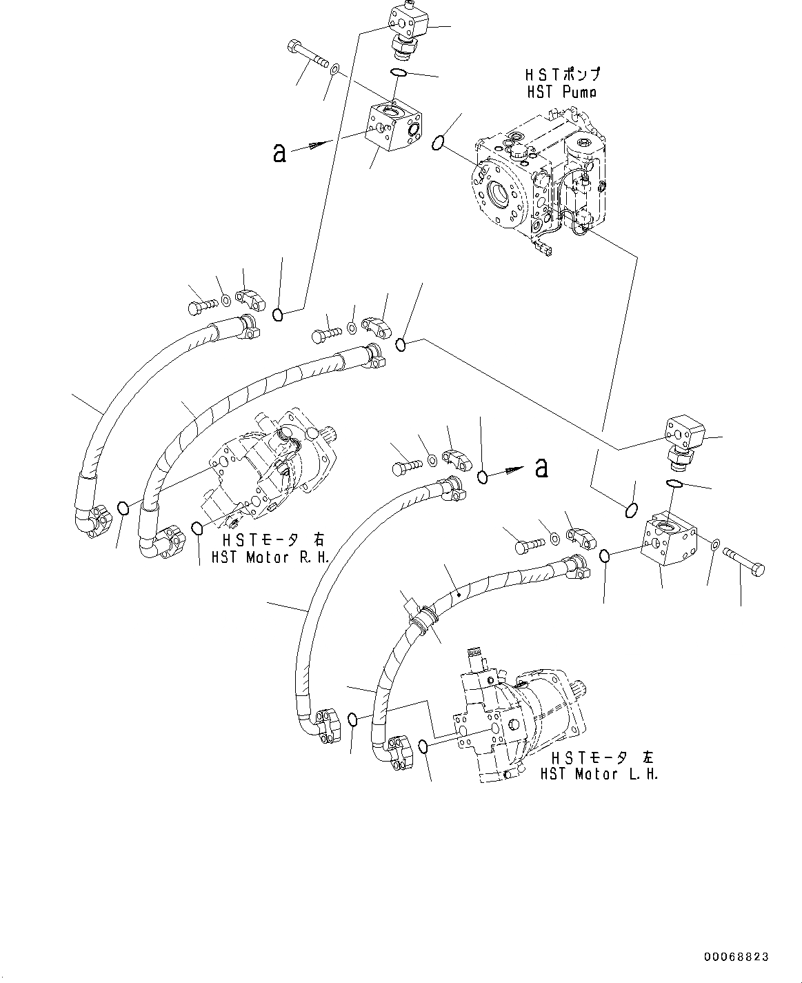
Запчасти Komatsu WA320PZ-6 HYDROSTATIC ТРАНСМИССИЯ (HST) МАСЛОПРОВОДЯЩАЯ ЛИНИЯ, ОСНОВН. ТРУБЫ (№7-) HYDROSTATIC ТРАНСМИССИЯ (HST) МАСЛОПРОВОДЯЩАЯ ЛИНИЯ, БЕЗ ЭКСТРЕНН. РУЛЕВ. УПРАВЛЕНИЕ

Схема запчастей Komatsu WA320PZ-6 - HYDROSTATIC ТРАНСМИССИЯ (HST) МАСЛОПРОВОДЯЩАЯ ЛИНИЯ, ОСНОВН. ТРУБЫ (№7-) HYDROSTATIC ТРАНСМИССИЯ (HST) МАСЛОПРОВОДЯЩАЯ ЛИНИЯ, БЕЗ ЭКСТРЕНН. РУЛЕВ. УПРАВЛЕНИЕ
5
4
16
15
12
18
6
9
8
21
23
7
24
19
22
3
17
2
6
1
12
12
13
18
14
12
9
11
10
23
18
18
22
24
10
11
26
25
20
FIT
1:1
100%

Артикул

Название

Примечание

Количество

1

419-18-31121

Block

SN: 70452-UP

1шт.

2

419-18-41110

Elbow

SN: 70452-UP

1шт.

3

07002-14234

O-ring

SN: 70452-UP

1шт.

4

01011-81420

Bolt

SN: 70452-UP

4шт.

5

01643-31445

Washer, Flat

SN: 70452-UP

4шт.

6

07000-13038

O-ring

SN: 70452-UP

2шт.

7

419-18-32113

Hose

SN: 70452-UP

1шт.

8

07084-012A9

Hose, Flange Type

SN: 70452-UP

1шт.

9

419-18-31260

Flange, Split

SN: 70452-UP

8шт.

10

01010-81450

Bolt

SN: 70452-UP

16шт.

11

722-13-11530

Washer

SN: 70452-UP

16шт.

12

07000-13038

O-ring

SN: 70452-UP

4шт.

13

419-18-31131

Block

SN: 70452-UP

1шт.

14

419-18-31210

Elbow

SN: 70452-UP

1шт.

15

01011-81435

Bolt

SN: 70452-UP

4шт.

16

01643-31445

Washer, Flat

SN: 70452-UP

4шт.

17

07002-14234

O-ring

SN: 70452-UP

1шт.

18

07000-13038

O-ring

SN: 70452-UP

4шт.

19

419-18-42110

Hose

SN: 70452-UP

1шт.

20

08210-02906

Spiral Tube

SN: 70452-UP

1шт.

21

419-18-42140

Hose

SN: 70452-UP

1шт.

22

419-18-31260

Flange, Split

SN: 70452-UP

8шт.

23

01010-81450

Bolt

SN: 70452-UP

16шт.

24

722-13-11530

Washer

SN: 70452-UP

16шт.

25

07095-01035

Cushion

SN: 70452-UP

1шт.

26

08034-20834

Band

SN: 70452-UP

2шт.

Выбрано товаров: 0