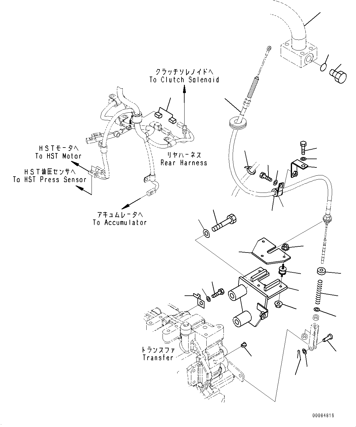
Запчасти Komatsu WA320PZ-6 СТОЯНОЧНЫЙ ТОРМОЗ УПРАВЛ-Е (№7-) СТОЯНОЧНЫЙ ТОРМОЗ УПРАВЛ-Е

Схема запчастей Komatsu WA320PZ-6 - СТОЯНОЧНЫЙ ТОРМОЗ УПРАВЛ-Е (№7-) СТОЯНОЧНЫЙ ТОРМОЗ УПРАВЛ-Е
9
7
8
14
15
16
1
2
3
4
5
6
11
13
12
10
20
19
20
18
24
23
25
17
22
21
26
28
29
27
FIT
1:1
100%

Артикул

Название

Примечание

Количество

1

417-43-18380

Guide

SN: 70452-UP

1шт.

2

416-22-26260

Spring

SN: 70452-UP

1шт.

3

01641-20812

Washer

SN: 70452-UP

1шт.

4

04205-11028

Pin

SN: 70452-UP

1шт.

5

01641-21016

Washer

SN: 70452-UP

1шт.

6

04050-13020

Pin, Cotter

SN: 70452-UP

1шт.

7

04434-51912

Clip

SN: 70452-UP

1шт.

8

07095-20213

Cushion

SN: 70452-UP

1шт.

9

01010-81020

Bolt

SN: 70452-UP

1шт.

10

01643-31032

Washer

SN: 70452-UP

1шт.

11

419-43-41110

Bracket

SN: 70452-UP

1шт.

12

01010-81020

Bolt

SN: 70452-UP

1шт.

13

01643-31032

Washer

SN: 70452-UP

1шт.

14

419-22-36211

Bracket

SN: 70452-UP

1шт.

15

01010-81695

Bolt

SN: 70452-UP

2шт.

16

01643-31645

Washer

SN: 70452-UP

2шт.

17

07049-01620

Plug

SN: 70452-UP

2шт.

18

418-22-36190

Plate

SN: 70452-UP

1шт.

19

424-43-11240

Cushion

SN: 70452-UP

3шт.

20

01584-00605

Nut

SN: 70452-UP

6шт.

21

07040-12012

Plug

SN: 70452-UP

1шт.

22

07002-12034

O-ring

SN: 70452-UP

1шт.

23

08193-21012

Clip

SN: 70452-UP

1шт.

24

01010-81020

Bolt

SN: 70452-UP

1шт.

25

01643-31032

Washer

SN: 70452-UP

1шт.

26

08034-40521

Band

SN: 70452-UP

1шт.

27

423-S33-4330

Connector

SN: 70452-UP

2шт.

28

419-62-48351

Tube

SN: UP

-1шт.

29

418-22-46120

Cable

SN: UP

-1шт.

|$29

418-22-46120

Cable

SN: UP

-1шт.

Выбрано товаров: 0