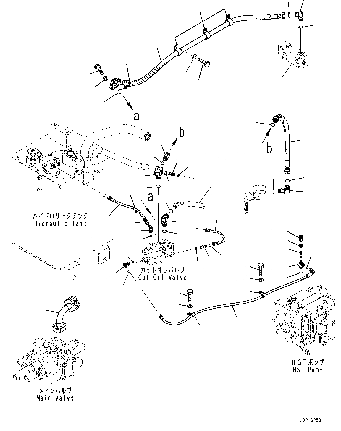
Запчасти Komatsu WA320PZ-6 ГИДРОЛИНИЯ, ГИДР. БАК. ТРУБЫ (№7-) ГИДРОЛИНИЯ, 2-Х СЕКЦИОНН. КЛАПАН ARRANGEMENT, С ПОГРУЗ. METER

Схема запчастей Komatsu WA320PZ-6 - ГИДРОЛИНИЯ, ГИДР. БАК. ТРУБЫ (№7-) ГИДРОЛИНИЯ, 2-Х СЕКЦИОНН. КЛАПАН ARRANGEMENT, С ПОГРУЗ. METER
2
3
4
6
7
18
19
20
22
23
24
25
26
27
28
29
30
31
33
34
35
7
33
34
35
36
37
33
32
33
34
34
17
36
37
21
17
1
5
7
17
40
38
8
9
10
11
12
13
14
15
17
16
12
39
FIT
1:1
100%

Артикул

Название

Примечание

Количество

1

02782-10522

Elbow

SN: 70452-UP

1шт.

2

419-62-31374

Elbow

SN: 70452-UP

1шт.

3

419-62-43120

Nipple

SN: 70452-UP

1шт.

4

07002-12034

O-ring

SN: 70452-UP

1шт.

5

419-62-43330

Hose

SN: 70452-UP

1шт.

6

02782-10522

Elbow

SN: 70452-UP

1шт.

7

07002-12434

O-ring

SN: 70452-UP

3шт.

8

419-62-43760

Hose

SN: 70452-UP

1шт.

9

07000-13025

O-ring

SN: 70452-UP

1шт.

10

01010-81035

Bolt

SN: 70452-UP

2шт.

11

01643-31032

Washer

SN: 70452-UP

2шт.

12

04434-52712

Clip

SN: 70452-UP

4шт.

13

01010-81020

Bolt

SN: 70452-UP

4шт.

14

01643-31032

Washer

SN: 70452-UP

4шт.

15

02782-10516

Elbow

SN: 70452-UP

1шт.

16

07002-12034

O-ring

SN: 70452-UP

1шт.

17

02896-11015

O-ring

SN: 70452-UP

4шт.

18

419-62-31630

Tube

SN: 70452-UP

1шт.

19

419-62-43350

Hose

SN: 70452-UP

1шт.

20

419-62-48392

Hose

SN: 70452-UP

1шт.

21

04434-51212

Clip

SN: 70452-UP

1шт.

21

419-18-31562

Valve Assembly

SN: 70452-UP

1шт.

22

07000-12010

O-ring

SN: 70452-UP

1шт.

23

20U-60-22310

Poppet

SN: 70452-UP

1шт.

24

419-18-31523

Elbow

SN: 70452-UP

1шт.

25

419-18-31551

Plug

SN: 70452-UP

1шт.

26

419-62-31670

Joint

SN: 70452-UP

1шт.

27

07002-11423

O-ring

SN: 70452-UP

1шт.

28

02896-11009

O-ring

SN: 70452-UP

1шт.

29

02781-0021D

Union

SN: 70452-UP

1шт.

30

21W-62-43930

Nipple

SN: 70452-UP

1шт.

31

02782-10210

Elbow

SN: 70452-UP

1шт.

32

02782-1021A

Elbow

SN: 70452-UP

1шт.

33

07002-11423

O-ring

SN: 70452-UP

4шт.

34

02896-11008

O-ring

SN: 70452-UP

5шт.

35

04434-51212

Clip

SN: 70452-UP

2шт.

36

01010-81020

Bolt

SN: 70452-UP

2шт.

37

01643-31032

Washer

SN: 70452-UP

2шт.

38

419-62-34133

Tube

SN: 70452-UP

1шт.

39

419-62-48141

Block

SN: UP

-1шт.

40

419-62-33325

Hose

SN: UP

-1шт.

Выбрано товаров: 0