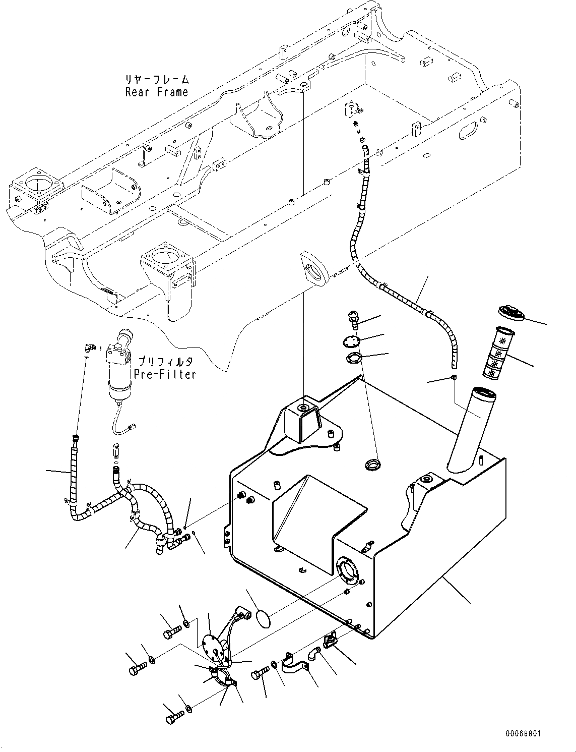
Запчасти Komatsu WA320PZ-6 ТОПЛИВН. БАК., БАК (№7-) ТОПЛИВН. БАК., С ВОДООТДЕЛИТЕЛЕМ

Схема запчастей Komatsu WA320PZ-6 - ТОПЛИВН. БАК., БАК (№7-) ТОПЛИВН. БАК., С ВОДООТДЕЛИТЕЛЕМ
3
2
18
19
26
25
24
7
8
9
6
5
4
10
8
9
11
12
11
12
1
15
13
14
17
16
23
20
21
22
FIT
1:1
100%

Артикул

Название

Примечание

Количество

1

419-04-48104

Fuel

SN: 70452-UP

1шт.

2

17M-04-41190

Strainer

SN: 70452-UP

1шт.

3

423-04-11362

Cap

SN: 70452-UP

1шт.

3

417-04-21230

Packing

SN: 70452-UP

1шт.

4

7861-93-4832

Sensor, Fuel Level

SN: 70495-UP

1шт.

4

7861-93-4831

Sensor, Fuel Level

SN: 70452-70494

1шт.

5

01010-81020

Bolt

SN: 70452-UP

5шт.

6

01643-31032

Washer

SN: 70452-UP

5шт.

7

04434-50610

Clip

SN: 70452-UP

1шт.

8

01010-80816

Bolt

SN: 70452-UP

3шт.

9

01643-30823

Washer

SN: 70452-UP

3шт.

10

07000-12085

O-ring

SN: 70452-UP

1шт.

11

04434-51710

Clip

SN: 70452-UP

2шт.

12

07095-20211

Cushion

SN: 70452-UP

2шт.

13

363-04-11130

Valve

SN: 70452-UP

1шт.

14

417-04-10140

Cover

SN: 70452-UP

1шт.

15

01010-80816

Bolt

SN: 70452-UP

2шт.

16

01643-30823

Washer

SN: 70452-UP

2шт.

17

07323-B0200

Elbow

SN: 70452-UP

1шт.

18

419-04-48130

Hose

SN: 70452-UP

1шт.

19

07285-00130

Clip

SN: 70452-UP

1шт.

20

419-04-48223

Hose

SN: 70452-UP

1шт.

21

02896-11009

O-ring

SN: 70452-UP

1шт.

22

419-04-48203

Hose

SN: 70452-UP

1шт.

23

02896-11009

O-ring

SN: 70452-UP

1шт.

24

418-04-31210

Cover

SN: 70452-UP

1шт.

25

418-04-31220

Packing

SN: 70452-UP

1шт.

26

01023-10510

Screw

SN: 70452-UP

5шт.

Выбрано товаров: 28