Запчасти Komatsu WA320PZ-6 ПОЗИЦИОНЕР КОВША(№7-) КОВШ ПОЗИЦИОНЕР, ДЛЯ СОЕДИНИТ. УСТР-ВО

Схема запчастей Komatsu WA320PZ-6 - ПОЗИЦИОНЕР КОВША(№7-) КОВШ ПОЗИЦИОНЕР, ДЛЯ СОЕДИНИТ. УСТР-ВО
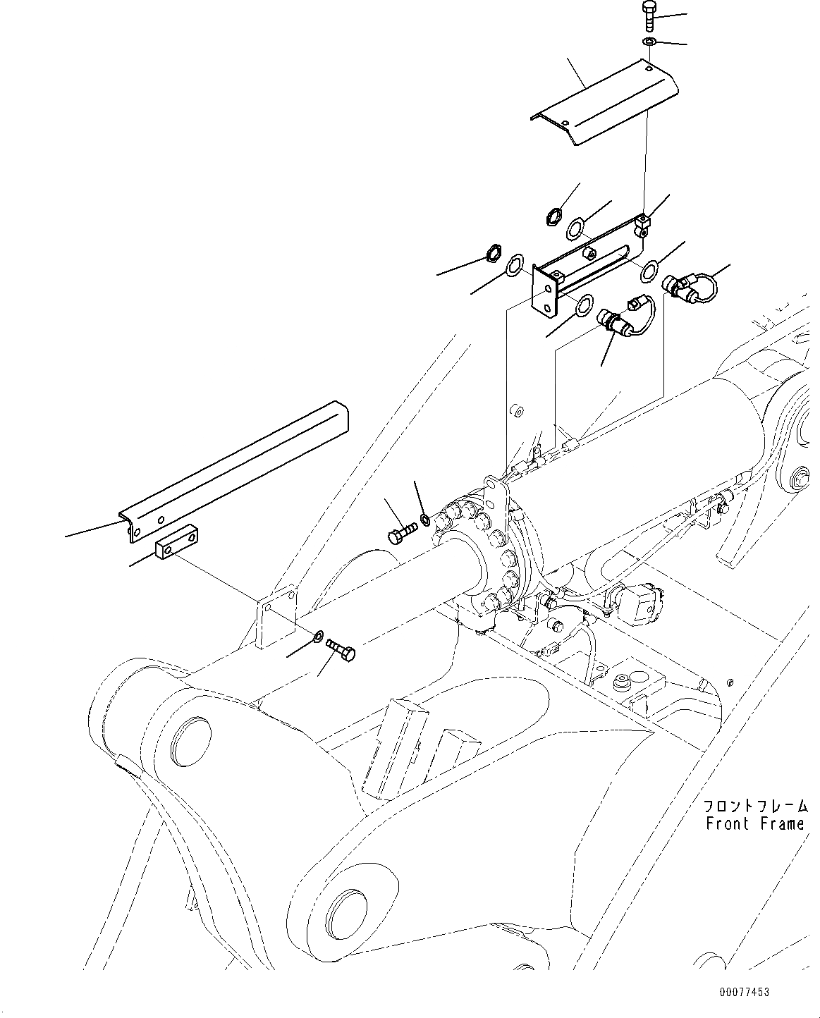
1
2
3
4
5
6
7
8
9
10
11
12
5
4
5
5
4
4
FIT
1:1
100%

Артикул

Название

Примечание

Количество

1

418-U77-4414

Bracket

SN: 70452-UP

1шт.

2

01010-81230

Bolt

SN: 70452-UP

2шт.

3

01643-31232

Washer

SN: 70452-UP

2шт.

4

418-U77-3650

Washer

SN: 70452-UP

4шт.

5

56B-06-15610

Switch,Bucket Postioner

SN: 70452-UP

2шт.

6

418-U77-4480

Plate

SN: 70452-UP

1шт.

7

01010-81020

Bolt

SN: 70452-UP

2шт.

8

01643-31032

Washer

SN: 70452-UP

2шт.

9

419-U77-4423

Plate

SN: 70452-UP

1шт.

10

419-U77-4442

Block

SN: 70452-UP

1шт.

11

01010-81260

Bolt

SN: 70452-UP

2шт.

12

01643-31232

Washer

SN: 70452-UP

2шт.

Выбрано товаров: 12