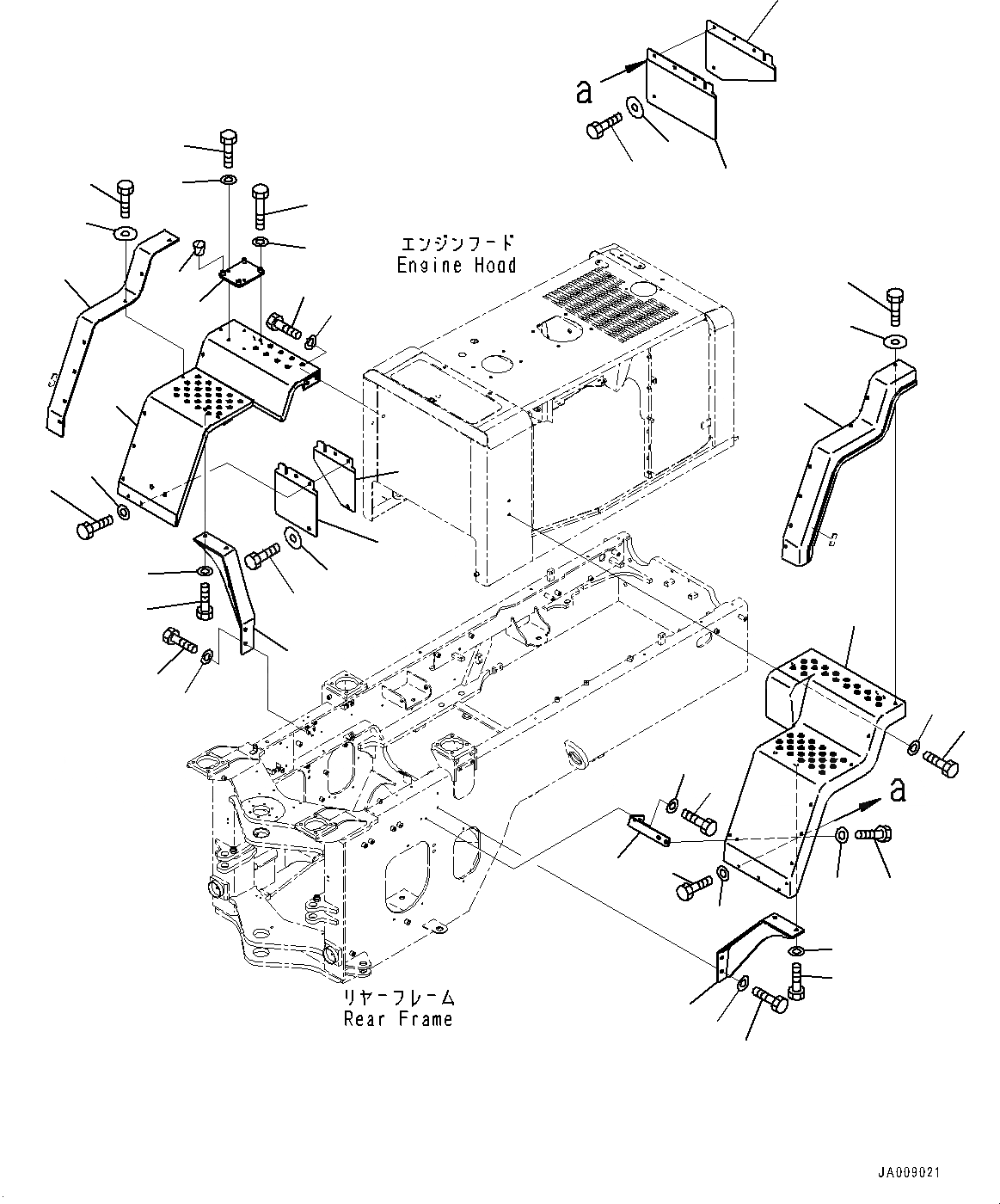
Запчасти Komatsu WA320PZ-6 ЗАДН. КРЫЛО, КРЫЛО И СУППОРТ (№7-) ЗАДН. КРЫЛО, С ШИР. КРЫЛО, ЗАДН. ПОЛН. КРЫЛО

Схема запчастей Komatsu WA320PZ-6 - ЗАДН. КРЫЛО, КРЫЛО И СУППОРТ (№7-) ЗАДН. КРЫЛО, С ШИР. КРЫЛО, ЗАДН. ПОЛН. КРЫЛО
15
32
31
33
34
30
29
1
17
16
25
26
24
23
22
21
20
45
44
43
28
27
19
18
38
39
4
5
37
36
41
40
42
35
11
12
8
7
6
14
9
10
13
3
2
FIT
1:1
100%

Артикул

Название

Примечание

Количество

1

419-54-48722

Fender,L.H.

SN: 70452-UP

1шт.

2

01010-81225

Bolt

SN: 70452-UP

2шт.

3

01643-31232

Washer

SN: 70452-UP

2шт.

4

01010-81230

Bolt

SN: 70452-UP

2шт.

5

01643-31232

Washer

SN: 70452-UP

2шт.

6

419-54-48742

Cover,L.H.

SN: 70452-UP

1шт.

7

421-54-34550

Washer

SN: 70452-UP

7шт.

8

01010-D1025

Bolt

SN: 70452-UP

7шт.

9

419-54-34731

Plate,L.H.

SN: 70452-UP

1шт.

10

419-54-34750

Sheet,L.H.

SN: 70452-UP

1шт.

11

01643-71032

Washer

SN: 70452-UP

3шт.

12

01010-D1025

Bolt

SN: 70452-UP

3шт.

13

415-64-13120

Washer

SN: 70452-UP

1шт.

14

01010-D1025

Bolt

SN: 70452-UP

1шт.

15

419-54-44511

Fender

SN: 70452-UP

1шт.

16

01010-81225

Bolt

SN: 70452-UP

2шт.

17

01643-31232

Washer

SN: 70452-UP

2шт.

18

01010-81230

Bolt

SN: 70452-UP

2шт.

19

01643-31232

Washer

SN: 70452-UP

2шт.

20

419-54-48782

Cover,R.H.

SN: 70452-UP

1шт.

21

421-54-34550

Washer

SN: 70452-UP

7шт.

22

01010-D1025

Bolt

SN: 70452-UP

7шт.

23

419-54-34741

Plate,R.H.

SN: 70452-UP

1шт.

24

419-54-34760

Sheet,R.H.

SN: 70452-UP

1шт.

25

01010-D1025

Bolt

SN: 70452-UP

2шт.

26

01643-71032

Washer

SN: 70452-UP

2шт.

27

415-64-13120

Washer

SN: 70452-UP

1шт.

28

01010-D1025

Bolt

SN: 70452-UP

1шт.

29

418-54-44520

Bracket

SN: 70452-UP

1шт.

30

01010-81050

Bolt

SN: 70452-UP

2шт.

31

01643-31032

Washer

SN: 70452-UP

2шт.

32

01010-81030

Bolt

SN: 70452-UP

2шт.

33

01643-31032

Washer

SN: 70452-UP

2шт.

34

07049-01012

Plug

SN: 70452-UP

2шт.

35

419-54-48732

Bracket,L.H.

SN: 70452-UP

1шт.

36

01010-81230

Bolt

SN: 70452-UP

2шт.

37

01643-31232

Washer

SN: 70452-UP

2шт.

38

419-54-42180

Bracket

SN: 70452-UP

1шт.

39

01010-81020

Bolt

SN: 70452-UP

2шт.

40

01643-31032

Washer

SN: 70452-UP

2шт.

41

01010-81225

Bolt

SN: 70452-UP

2шт.

42

01643-31232

Washer

SN: 70452-UP

2шт.

43

419-54-48772

Bracket,R.H.

SN: 70452-UP

1шт.

44

01010-81230

Bolt

SN: 70452-UP

2шт.

45

01643-31232

Washer

SN: 70452-UP

2шт.

Выбрано товаров: 45