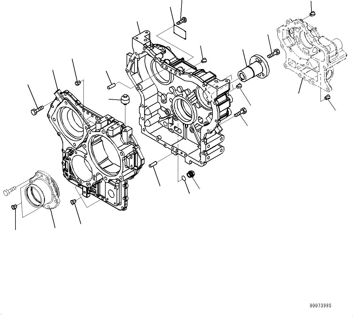
Запчасти Komatsu WA320PZ-6 ПЕРЕДАЧА (КОРПУС) POWER TRANSMITTING СИСТЕМА

Схема запчастей Komatsu WA320PZ-6 - ПЕРЕДАЧА (КОРПУС) POWER TRANSMITTING СИСТЕМА
3
1
12
2
10
11
4
5
12
12
6
13
3
9
14
7
8
12
12
14
16
15
FIT
1:1
100%

Артикул

Название

Примечание

Количество

|$0

419-17-31003

TRANSFER ASSEMBLY

SN: H00051-UP

1шт.

|$1

419-17-31104

CASE GROUP

SN: H00051-UP

1шт.

1

0

CASE,FRONT

SN: H00051-UP

1шт.

2

0

CASE,REAR

SN: H00051-UP

1шт.

3

01016-51235

BOLT

SN: H00051-UP

22шт.

4

418-17-32811

SHAFT

SN: H00051-UP

1шт.

5

01016-51235

BOLT

SN: H00051-UP

3шт.

6

07043-A0211

PLUG, TAPER

SN: H00051-UP

2шт.

7

07044-12412

PLUG

SN: H00051-UP

1шт.

8

07002-12434

O-RING

SN: H00051-UP

1шт.

9

07030-00252

BREATHER

SN: H00051-UP

1шт.

10

0

PLATE, NAME (LIMITED SUPPLY)

SN: H00051-UP

1шт.

11

04418-13060

SCREW

SN: H00051-UP

4шт.

12

07049-01215

PLUG

SN: H00051-UP

10шт.

13

07049-01620

PLUG

SN: H00051-UP

1шт.

14

04020-01228

PIN, DOWEL

SN: H00051-UP

2шт.

15

418-17-31132

CAGE

-1шт.

16

418-17-38116

HOUSING

-1шт.

Выбрано товаров: 18