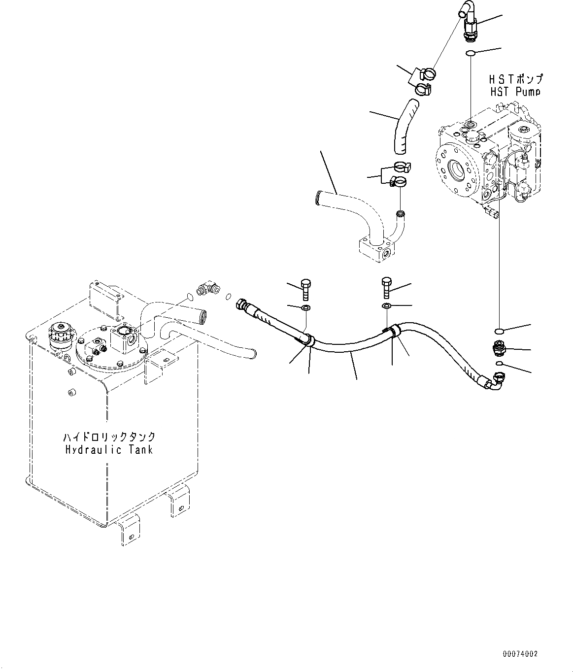
Запчасти Komatsu WA320PZ-6 HYDROSTATIC ТРАНСМИССИЯ (HST) (МАСЛОПРОВОДЯЩАЯ ЛИНИЯ) (ДРЕНАЖН. ТРУБЫ) POWER TRANSMITTING СИСТЕМА

Схема запчастей Komatsu WA320PZ-6 - HYDROSTATIC ТРАНСМИССИЯ (HST) (МАСЛОПРОВОДЯЩАЯ ЛИНИЯ) (ДРЕНАЖН. ТРУБЫ) POWER TRANSMITTING СИСТЕМА
9
12
12
7
5
2
1
4
3
4
6
8
10
10
9
11
11
13
FIT
1:1
100%

Артикул

Название

Примечание

Количество

1

419-18-31113

ELBOW

SN: H00051-UP

1шт.

2

07000-13029

O-RING

SN: H00051-UP

1шт.

3

419-18-31141

HOSE

SN: H00051-UP

1шт.

4

07289-00045

CLAMP, HOSE

SN: H00051-UP

4шт.

5

419-18-31411

HOSE

SN: H00051-UP

1шт.

6

419-18-31381

NIPPLE

SN: H00051-UP

1шт.

7

07000-13029

O-RING

SN: H00051-UP

1шт.

8

02896-11018

O-RING

SN: H00051-UP

1шт.

9

04434-53412

CLIP

SN: H00051-UP

2шт.

10

07095-20627

CUSHION

SN: H00051-UP

2шт.

11

01010-81020

BOLT

SN: H00051-UP

2шт.

12

01643-31032

WASHER

SN: H00051-UP

2шт.

13

419-62-48351

TUBE

-1шт.

Выбрано товаров: 0