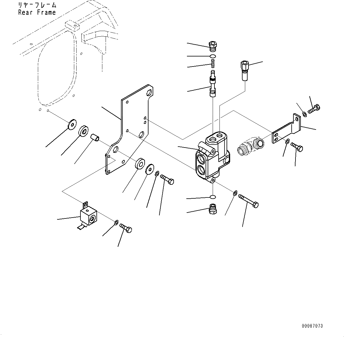
Запчасти Komatsu WA320PZ-6 КЛАПАН УПРАВЛЕНИЯ ПОВОРОТОМ (ПРИОРИТЕТН. КЛАПАН) ГИДРАВЛИКА

Схема запчастей Komatsu WA320PZ-6 - КЛАПАН УПРАВЛЕНИЯ ПОВОРОТОМ (ПРИОРИТЕТН. КЛАПАН) ГИДРАВЛИКА
14
6
1
21
16
22
17
4
3
14
23
20
19
2
24
6
7
13
8
5
15
12
18
9
10
11
FIT
1:1
100%

Артикул

Название

Примечание

Количество

|$0

419-64-35301

VALVE ASSEMBLY, PRIORITY

SN: H00051-UP

1шт.

1

0

HOUSING

SN: H00051-UP

1шт.

2

0

SPOOL

SN: H00051-UP

1шт.

3

416-64-15230

SPRING

SN: H00051-UP

1шт.

4

419-64-35430

VALVE ASSEMBLY, RELIEF

SN: H00051-UP

1шт.

5

418-64-25330

PLUG

SN: H00051-UP

1шт.

6

416-64-15260

O-RING

SN: H00051-UP

2шт.

7

416-64-15270

PLUG

SN: H00051-UP

1шт.

8

419-64-45211

BRACKET

SN: H00051-UP

1шт.

9

419-64-35220

BLOCK

SN: H00051-UP

1шт.

10

01010-80820

BOLT

SN: H00051-UP

2шт.

11

01643-30823

WASHER

SN: H00051-UP

2шт.

12

01010-81050

BOLT

SN: H00051-UP

3шт.

13

01643-31032

WASHER

SN: H00051-UP

3шт.

14

415-64-13120

WASHER

SN: H00051-UP

6шт.

15

419-43-17930

CUSHION

SN: H00051-UP

3шт.

16

415-64-13130

CUSHION

SN: H00051-UP

3шт.

17

417-62-14130

SPACER

SN: H00051-UP

3шт.

18

01010-80880

BOLT

SN: H00051-UP

2шт.

19

01643-30823

WASHER

SN: H00051-UP

2шт.

20

419-62-31660

BRACKET

SN: H00051-UP

1шт.

21

01010-80820

BOLT

SN: H00051-UP

1шт.

22

01643-30823

WASHER

SN: H00051-UP

1шт.

23

01016-50825

BOLT

SN: H00051-UP

2шт.

24

01643-30823

WASHER

SN: H00051-UP

2шт.

Выбрано товаров: 25