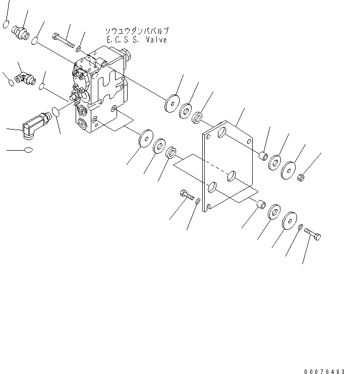
Запчасти Komatsu WA320PZ-6 ГИДРОЛИНИЯ (С ECSS) (КЛАПАН ЭЛЕМЕНТЫ КРЕПЛЕНИЯ) ГИДРАВЛИКА

Схема запчастей Komatsu WA320PZ-6 - ГИДРОЛИНИЯ (С ECSS) (КЛАПАН ЭЛЕМЕНТЫ КРЕПЛЕНИЯ) ГИДРАВЛИКА
1
2
3
4
5
6
7
7
7
7
8
8
8
8
9
9
10
10
11
12
13
14
15
16
17
18
19
20
21
FIT
1:1
100%

Артикул

Название

Примечание

Количество

1

424-S99-3110

BRACKET

SN: H00051-UP

1шт.

2

01010-81250

BOLT

SN: H00051-UP

2шт.

3

01643-31232

WASHER

SN: H00051-UP

2шт.

4

01580-11210

NUT

SN: H00051-UP

1шт.

5

01010-81275

BOLT

SN: H00051-UP

1шт.

6

01643-31232

WASHER

SN: H00051-UP

1шт.

7

418-54-13220

WASHER

SN: H00051-UP

6шт.

8

418-54-13151

CUSHION

SN: H00051-UP

6шт.

9

418-54-13161

CUSHION

SN: H00051-UP

3шт.

10

428-64-15110

COLLAR

SN: H00051-UP

3шт.

11

01010-81230

BOLT

SN: H00051-UP

3шт.

12

01643-31232

WASHER

SN: H00051-UP

3шт.

13

02782-10630

ELBOW

SN: H00051-UP

1шт.

14

02896-11018

O-RING

SN: H00051-UP

1шт.

15

07002-12434

O-RING

SN: H00051-UP

1шт.

16

02782-10422

ELBOW

SN: H00051-UP

1шт.

17

07002-12034

O-RING

SN: H00051-UP

1шт.

18

02896-11012

O-RING

SN: H00051-UP

1шт.

19

02781-00522

UNION

SN: H00051-UP

1шт.

20

07002-12434

O-RING

SN: H00051-UP

1шт.

21

02896-11015

O-RING

SN: H00051-UP

1шт.

Выбрано товаров: 21