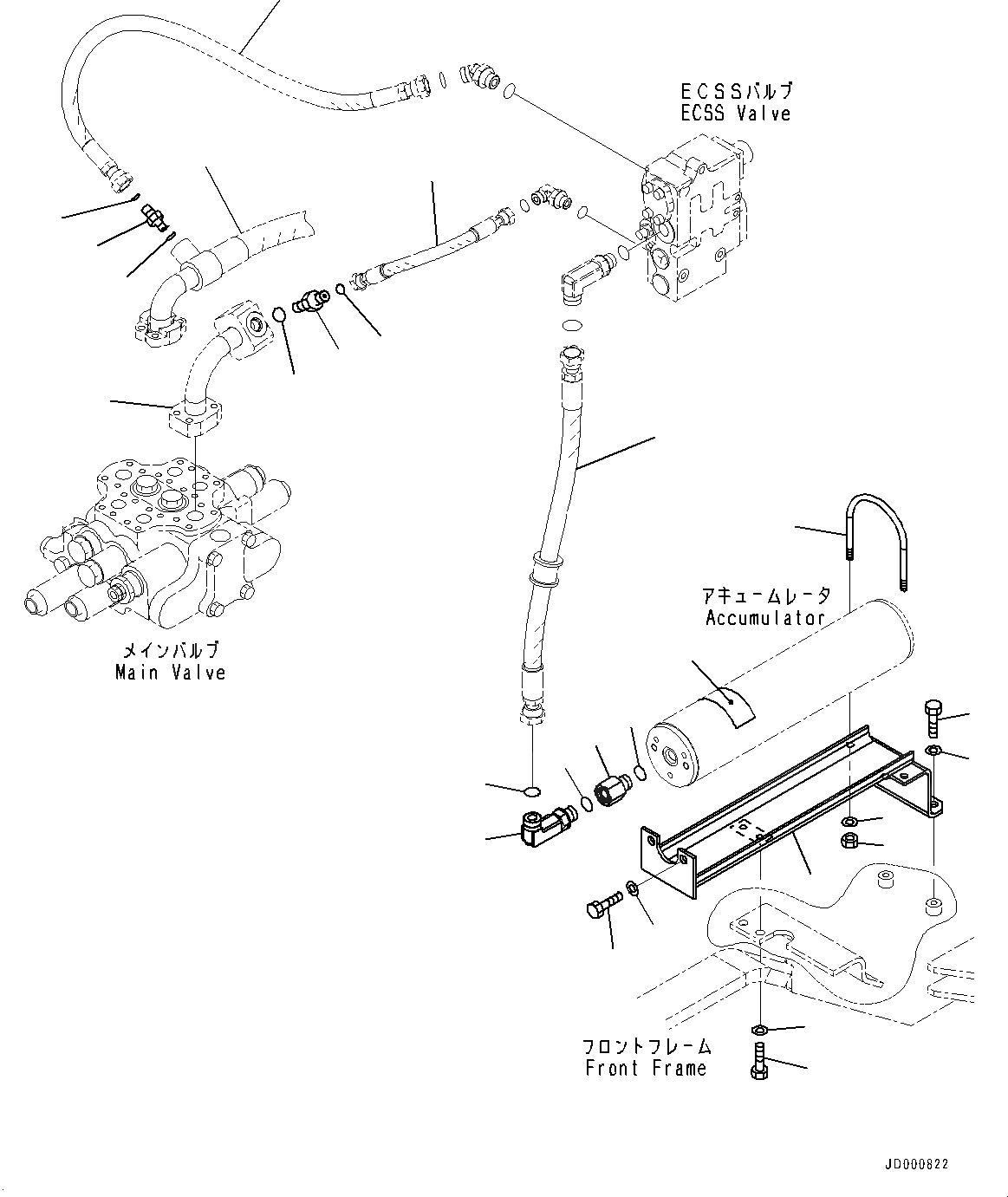
Запчасти Komatsu WA320PZ-6 ГИДРОЛИНИЯ (С ECSS) (АККУМУЛЯТОР КРЕПЛЕНИЕ) ГИДРАВЛИКА

Схема запчастей Komatsu WA320PZ-6 - ГИДРОЛИНИЯ (С ECSS) (АККУМУЛЯТОР КРЕПЛЕНИЕ) ГИДРАВЛИКА
13
11
12
9
10
14
3
7
8
4
5
6
7
8
2
1
24
19
18
20
22
21
23
17
15
16
25
FIT
1:1
100%

Артикул

Название

Примечание

Количество

1

01010-81230

BOLT

SN: H00051-UP

2шт.

2

01643-31232

WASHER

SN: H00051-UP

2шт.

3

421-S99-3132

CLIP

SN: H00051-UP

1шт.

4

01643-31032

WASHER

SN: H00051-UP

2шт.

5

01596-01009

NUT, FLANGED

SN: H00051-UP

2шт.

6

419-S99-3830

BRACKET

SN: H00051-UP

1шт.

7

01010-81225

BOLT

SN: H00051-UP

4шт.

8

01643-31232

WASHER

SN: H00051-UP

4шт.

9

419-62-33871

ADAPTER

SN: H00051-UP

1шт.

10

07002-12434

O-RING

SN: H00051-UP

1шт.

11

02782-10630

ELBOW

SN: H00051-UP

1шт.

12

07002-12434

O-RING

SN: H00051-UP

1шт.

13

02896-11018

O-RING

SN: H00051-UP

1шт.

14

09659-A057B

PLATE, WARNING, EXPLOSIVE HAZARD

SN: H00051-UP

1шт.

15

02781-00422

UNION

SN: H00051-UP

1шт.

16

07002-12034

O-RING

SN: H00051-UP

1шт.

17

02896-11012

O-RING

SN: H00051-UP

1шт.

18

02781-00522

UNION

SN: H00051-UP

1шт.

19

07002-12434

O-RING

SN: H00051-UP

1шт.

20

02896-11015

O-RING

SN: H00051-UP

1шт.

21

02766-00507

HOSE

-1шт.

22

419-62-48381

HOSE

-1шт.

23

02754-00403

HOSE

-1шт.

24

419-62-34133

TUBE

-1шт.

25

419-T91-4110

HOSE, 560MM

-1шт.

Выбрано товаров: 25