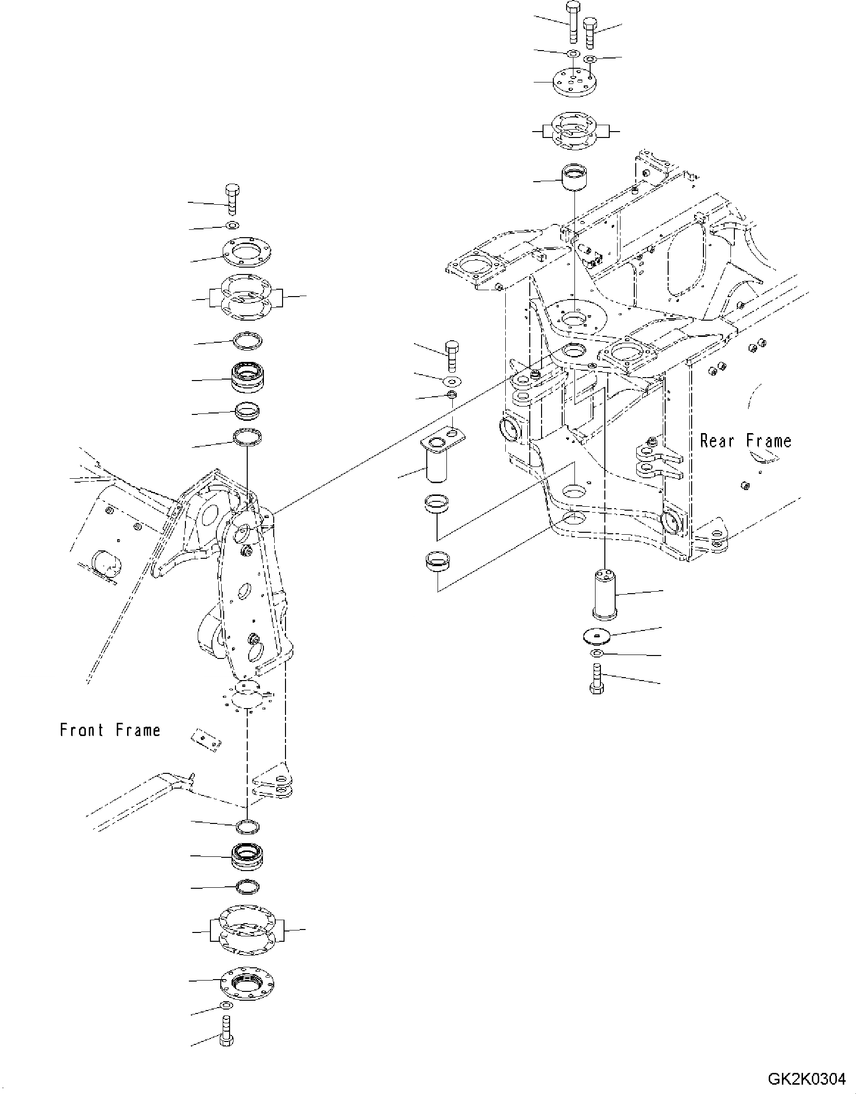
Запчасти Komatsu WA320PZ-6 HINGE ПАЛЕЦ РАМА И ITS КОМПОНЕНТЫ

Схема запчастей Komatsu WA320PZ-6 - HINGE ПАЛЕЦ РАМА И ITS КОМПОНЕНТЫ
21
17
21
19
18
20
16
6
9
10
8
11
11
23
7
24
13
25
15
7
22
14
26
28
27
5
12
5
2
2
1
4
3
FIT
1:1
100%

Артикул

Название

Примечание

Количество

1

419-46-11350

RETAINER

SN: H00051-UP

1шт.

2

421-46-11381

SHIM, T=0.5MM

SN: H00051-UP

-26шт.

2

421-46-11371

SHIM, T=0.1MM

SN: H00051-UP

-26шт.

3

01010-81230

BOLT

SN: H00051-UP

10шт.

4

01643-31232

WASHER

SN: H00051-UP

10шт.

5

419-09-11110

SEAL, DUST

SN: H00051-UP

2шт.

6

419-46-11180

SPACER

SN: H00051-UP

1шт.

7

419-46-11230

SEAL, DUST

SN: H00051-UP

2шт.

8

419-46-11200

RETAINER

SN: H00051-UP

1шт.

9

01016-51235

BOLT

SN: H00051-UP

6шт.

10

01643-31232

WASHER

SN: H00051-UP

6шт.

11

419-46-11250

SHIM, T=0.1MM

SN: H00051-UP

-26шт.

11

419-46-11260

SHIM, T=0.5MM

SN: H00051-UP

-26шт.

11

419-46-11270

SHIM, T=1.0MM

SN: H00051-UP

-26шт.

12

419-46-11360

BEARING

SN: H00051-UP

1шт.

13

419-46-11281

BEARING

SN: H00051-UP

1шт.

14

419-46-23210

SHAFT

SN: H00051-UP

1шт.

15

419-46-11170

SPACER

SN: H00051-UP

1шт.

16

419-46-33220

COVER

SN: H00051-UP

1шт.

17

01010-61695

BOLT

SN: H00051-UP

3шт.

18

01643-31645

WASHER

SN: H00051-UP

3шт.

19

01010-81245

BOLT

SN: H00051-UP

6шт.

20

01643-31232

WASHER

SN: H00051-UP

6шт.

21

419-46-11211

SHIM, T=0.1MM

SN: H00051-UP

-26шт.

21

419-46-11221

SHIM, T=0.5MM

SN: H00051-UP

-26шт.

22

419-46-41190

PIN

SN: H00051-UP

1шт.

23

01010-81640

BOLT

SN: H00051-UP

1шт.

24

421-70-11280

WASHER

SN: H00051-UP

1шт.

25

419-46-11340

BUSHING

SN: H00051-UP

1шт.

26

419-70-11340

PLATE

SN: H00051-UP

1шт.

27

01010-81630

BOLT

SN: H00051-UP

1шт.

28

01643-31645

WASHER

SN: H00051-UP

1шт.

Выбрано товаров: 32