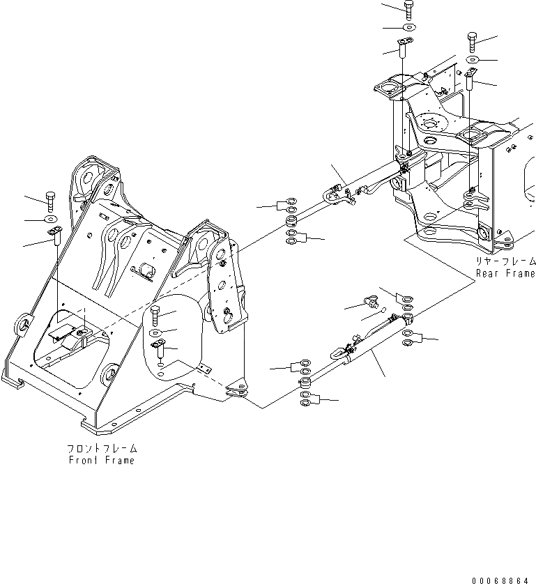
Запчасти Komatsu WA320PZ-6 ЦИЛИНДР РУЛЕВ. УПР-Я (ЭЛЕМЕНТЫ КРЕПЛЕНИЯ) РАМА И ITS КОМПОНЕНТЫ

Схема запчастей Komatsu WA320PZ-6 - ЦИЛИНДР РУЛЕВ. УПР-Я (ЭЛЕМЕНТЫ КРЕПЛЕНИЯ) РАМА И ITS КОМПОНЕНТЫ
1
2
3
3
4
4
4
4
4
4
5
5
5
5
6
6
6
6
7
7
8
9
FIT
1:1
100%

Артикул

Название

Примечание

Количество

1

0

CYLINDER GROUP, RHS

SN: H00051-UP

1шт.

2

0

CYLINDER GROUP, LHS

SN: H00051-UP

1шт.

3

419-46-32260

PIN

SN: H00051-UP

2шт.

4

419-46-12280

SHIM, 1.0MM

SN: H00051-UP

-26шт.

4

419-46-12290

SHIM, 0.5MM

SN: H00051-UP

-26шт.

5

01010-81220

BOLT

SN: H00051-UP

4шт.

6

175-54-34170

WASHER

SN: H00051-UP

4шт.

7

419-46-32260

PIN

SN: H00051-UP

2шт.

8

799-101-5220

NIPPLE

SN: H00051-UP

1шт.

9

07002-11023

O-RING

SN: H00051-UP

1шт.

Выбрано товаров: 10