Запчасти Komatsu WA320PZ-6 КРЕПЛЕНИЕ ОСН. КОНСТРУКЦИИING OPERATORґS ОБСТАНОВКА И СИСТЕМА УПРАВЛЕНИЯ

Схема запчастей Komatsu WA320PZ-6 - КРЕПЛЕНИЕ ОСН. КОНСТРУКЦИИING OPERATORґS ОБСТАНОВКА И СИСТЕМА УПРАВЛЕНИЯ
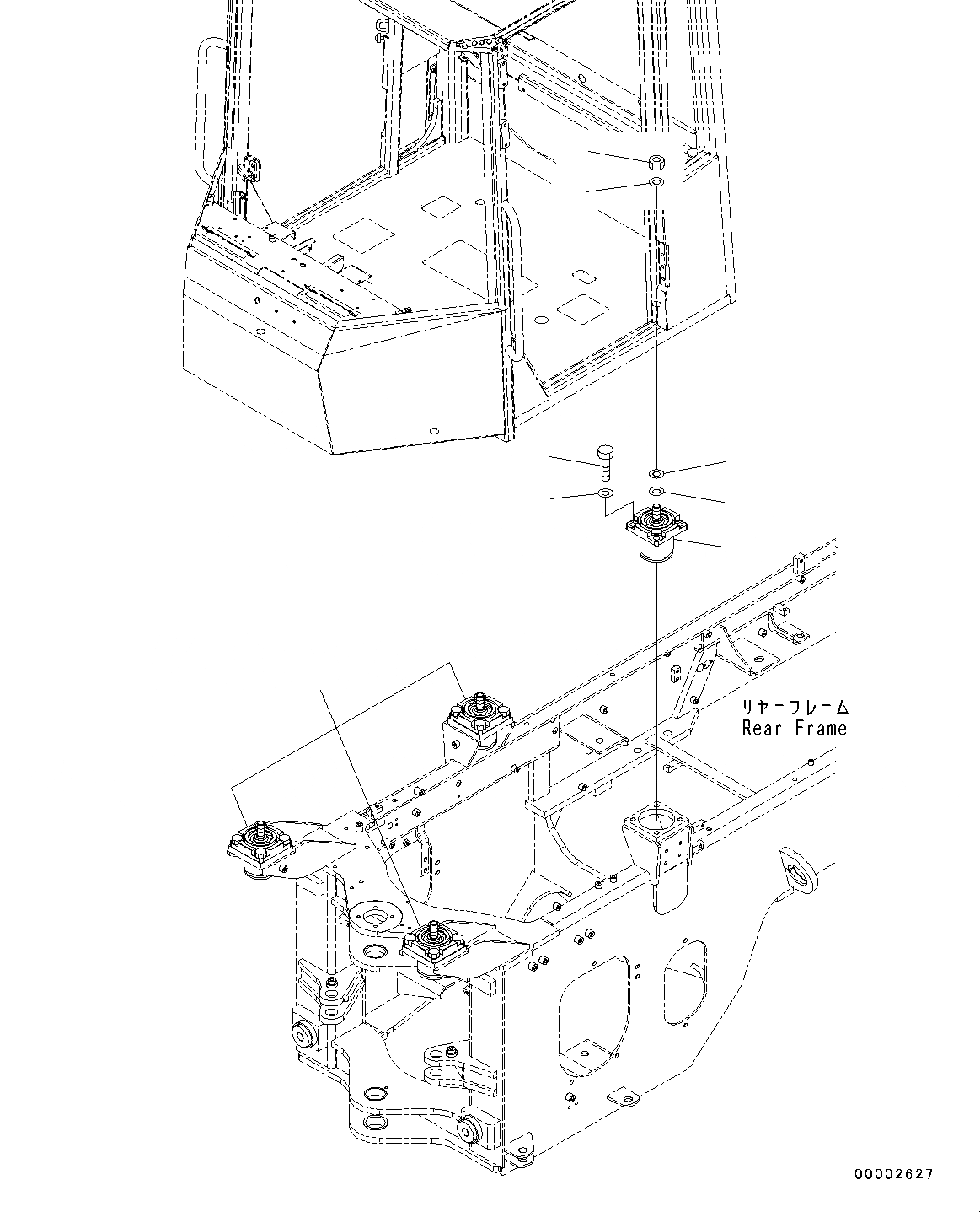
1
2
6
3
2
4
5
1
FIT
1:1
100%

Артикул

Название

Примечание

Количество

1

418-54-33110

VISCOUS MOUNT

SN: H00051-UP

4шт.

2

01643-32460

WASHER

SN: H00051-UP

8шт.

3

42Y-00-H0520

NUT

SN: H00051-UP

4шт.

4

01010-81845

BOLT

SN: H00051-UP

16шт.

5

01643-31845

WASHER

SN: H00051-UP

16шт.

6

561-40-41210

SHIM, T=1.2MM

SN: H00051-UP

4шт.

Выбрано товаров: 0