Запчасти Komatsu WA320PZ-6 УПРАВЛЕНИЕ ПОГРУЗКОЙ (P.P.C. ШЛАНГИ) (ДЛЯ MONO РЫЧАГ ИЛИ MULTI FUNCTION MONO РЫЧАГ) OPERATORґS ОБСТАНОВКА И СИСТЕМА УПРАВЛЕНИЯ

Схема запчастей Komatsu WA320PZ-6 - УПРАВЛЕНИЕ ПОГРУЗКОЙ (P.P.C. ШЛАНГИ) (ДЛЯ MONO РЫЧАГ ИЛИ MULTI FUNCTION MONO РЫЧАГ) OPERATORґS ОБСТАНОВКА И СИСТЕМА УПРАВЛЕНИЯ
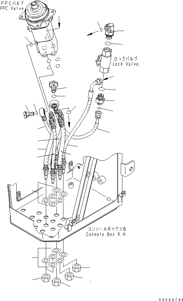
1
2
3
4
5
6
7
8
9
10
10
11
12
13
14
15
16
16
17
18
18
18
18
19
19
a
a
b
b
FIT
1:1
100%

Артикул

Название

Примечание

Количество

1

419-43-38130

HOSE, 395MM

SN: H00051-UP

1шт.

2

02782-10315

ELBOW

SN: H00051-UP

1шт.

3

02896-11009

O-RING

SN: H00051-UP

1шт.

4

07002-12034

O-RING

SN: H00051-UP

1шт.

5

02781-00315

UNION

SN: H00051-UP

1шт.

6

07002-12034

O-RING

SN: H00051-UP

1шт.

7

02896-11009

O-RING

SN: H00051-UP

1шт.

8

419-43-38410

HOSE

SN: H00051-UP

1шт.

9

702-16-53240

PLUG

SN: H00051-UP

1шт.

10

07000-12018

O-RING

SN: H00051-UP

2шт.

11

419-43-38240

HOSE, 255MM

SN: H00051-UP

1шт.

12

419-43-38250

HOSE, 265MM

SN: H00051-UP

1шт.

13

419-43-38260

HOSE, 270MM

SN: H00051-UP

1шт.

14

419-43-38270

HOSE, 250MM

SN: H00051-UP

1шт.

15

20Y-62-16170

BOLT

SN: H00051-UP

1шт.

16

07000-12015

O-RING

SN: H00051-UP

2шт.

17

419-43-38420

HOSE

SN: H00051-UP

1шт.

18

01583-11408

NUT

SN: H00051-UP

6шт.

19

01643-31445

WASHER

SN: H00051-UP

12шт.

Выбрано товаров: 19