Запчасти Komatsu WA320PZ-6 КОМПОНЕНТЫ ДВИГАТЕЛЯ (STARTING ПРОВОДКА) КОМПОНЕНТЫ ДВИГАТЕЛЯ

Схема запчастей Komatsu WA320PZ-6 - КОМПОНЕНТЫ ДВИГАТЕЛЯ (STARTING ПРОВОДКА) КОМПОНЕНТЫ ДВИГАТЕЛЯ
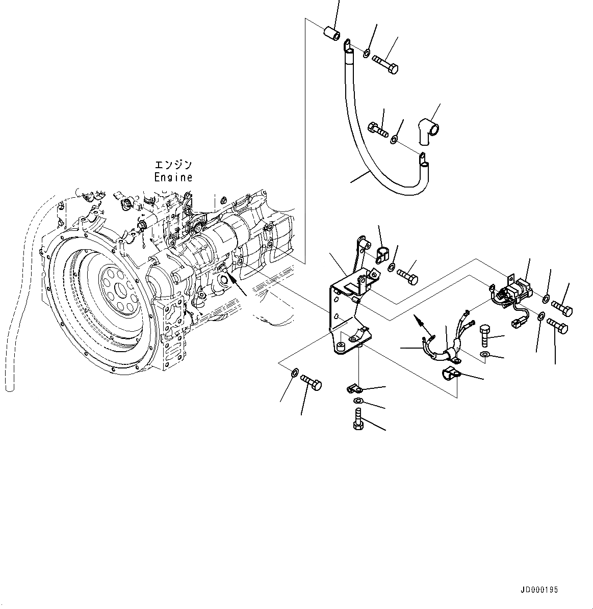
23
22
21
20
19
18
17
16
15
14
13
11
10
9
8
7
6
5
4
3
2
1
4
3
5
12
a
a
FIT
1:1
100%

Артикул

Название

Примечание

Количество

1

418-06-42320

WIRE

SN: H00051-UP

1шт.

2

600-051-2200

CLIP

SN: H00051-UP

1шт.

3

600-051-2100

CLIP

SN: H00051-UP

2шт.

4

01010-81020

BOLT

SN: H00051-UP

2шт.

5

01643-31032

WASHER

SN: H00051-UP

2шт.

6

419-06-42251

CABLE

SN: H00051-UP

1шт.

7

01010-81225

BOLT

SN: H00051-UP

1шт.

8

01643-31232

WASHER

SN: H00051-UP

1шт.

9

205-03-71330

COLLAR

SN: H00051-UP

1шт.

10

01010-81260

BOLT

SN: H00051-UP

1шт.

11

01643-31232

WASHER

SN: H00051-UP

1шт.

12

08038-06031

CAP

SN: H00051-UP

1шт.

13

11Y-06-11391

SWITCH

SN: H00051-UP

1шт.

14

01010-80612

BOLT

SN: H00051-UP

2шт.

15

01643-30623

WASHER

SN: H00051-UP

2шт.

16

419-06-48223

BRACKET

SN: H00051-UP

1шт.

17

01010-81225

BOLT

SN: H00051-UP

3шт.

18

01643-31232

WASHER

SN: H00051-UP

3шт.

19

01010-80816

BOLT

SN: H00051-UP

1шт.

20

01643-30823

WASHER

SN: H00051-UP

1шт.

21

600-051-3240

CLIP

SN: H00051-UP

1шт.

22

01010-81020

BOLT

SN: H00051-UP

1шт.

23

01643-31032

WASHER

SN: H00051-UP

1шт.

Выбрано товаров: 0