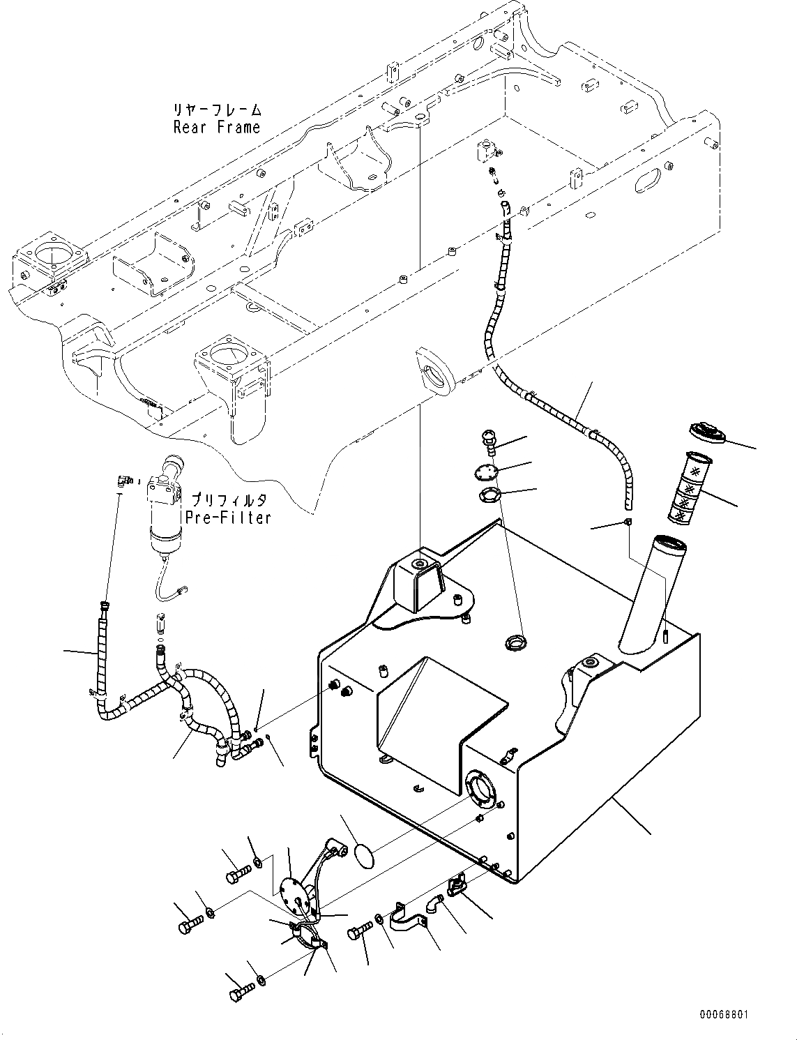
Запчасти Komatsu WA320PZ-6 ТОПЛИВН. БАК. ТОПЛИВН. СИСТЕМА

Схема запчастей Komatsu WA320PZ-6 - ТОПЛИВН. БАК. ТОПЛИВН. СИСТЕМА
12
11
15
16
14
17
13
10
4
6
5
9
8
8
9
11
12
23
21
20
22
19
2
3
18
26
24
25
1
7
FIT
1:1
100%

Артикул

Название

Примечание

Количество

1

419-T80-4750

FUEL

SN: H00051-UP

1шт.

2

421-04-H1580

STRAINER

SN: H00051-UP

1шт.

3

417-04-H1150

CAP

SN: H00051-UP

1шт.

|$5

417-04-21230

PACKING

SN: H00051-UP

1шт.

4

7861-93-4832

SENSOR

SN: H00051-UP

1шт.

5

01010-81020

BOLT

SN: H00051-UP

5шт.

6

01643-31032

WASHER

SN: H00051-UP

5шт.

7

04434-50610

CLIP

SN: H00051-UP

1шт.

8

01010-80816

BOLT

SN: H00051-UP

3шт.

9

01643-30823

WASHER

SN: H00051-UP

3шт.

10

07000-12085

O-RING

SN: H00051-UP

1шт.

11

04434-51710

CLIP

SN: H00051-UP

2шт.

12

07095-20211

CUSHION

SN: H00051-UP

2шт.

13

363-04-11130

VALVE

SN: H00051-UP

1шт.

14

417-04-10140

COVER

SN: H00051-UP

1шт.

15

01010-80816

BOLT

SN: H00051-UP

2шт.

16

01643-30823

WASHER

SN: H00051-UP

2шт.

17

07323-B0200

ELBOW

SN: H00051-UP

1шт.

18

419-04-48130

HOSE

SN: H00051-UP

1шт.

19

07285-00130

CLIP

SN: H00051-UP

1шт.

20

419-04-48223

HOSE

SN: H00051-UP

1шт.

21

02896-11009

O-RING

SN: H00051-UP

1шт.

22

419-04-48203

HOSE

SN: H00051-UP

1шт.

23

02896-11009

O-RING

SN: H00051-UP

1шт.

24

418-04-31210

COVER

SN: H00051-UP

1шт.

25

418-04-31220

PACKING

SN: H00051-UP

1шт.

26

01023-10510

SCREW

SN: H00051-UP

5шт.

Выбрано товаров: 0