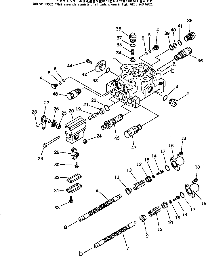
Запчасти Komatsu WA350-1 2-Х СЕКЦИОНН. УПРАВЛЯЮЩ. КЛАПАН (/) УПРАВЛ-Е РАБОЧИМ ОБОРУДОВАНИЕМ

Схема запчастей Komatsu WA350-1 - 2-Х СЕКЦИОНН. УПРАВЛЯЮЩ. КЛАПАН (/) УПРАВЛ-Е РАБОЧИМ ОБОРУДОВАНИЕМ
FIT
1:1
100%

Артикул

Название

Примечание

Количество

|$0

700-92-13002

VALVE ASS'Y

SN: 10001-UP

-1шт.

1

0

BODY,VALVE

SN: 10001-UP

1шт.

2

07040-13618

PLUG

SN: 10001-UP

1шт.

3

07002-13634

O-RING

SN: 10001-UP

1шт.

4

700-22-11360

PLUG

SN: 10001-UP

2шт.

5

07002-02434

O-RING

SN: 10001-UP

2шт.

6

07000-02014

O-RING

SN: 10001-UP

2шт.

7

0

SPOOL

SN: 10001-UP

1шт.

8

0

SPOOL

SN: 10001-UP

1шт.

9

700-93-11870

RETAINER

SN: 10001-UP

1шт.

10

700-93-11870

RETAINER

SN: 10001-UP

1шт.

11

700-92-11240

RETAINER

SN: 10001-UP

1шт.

12

700-92-11250

RETAINER

SN: 10001-UP

1шт.

13

700-93-11880

SPRING

SN: 10001-UP

2шт.

14

01252-31016

BOLT

SN: 10001-UP

2шт.

15

01643-31032

WASHER

SN: 10001-UP

2шт.

16

700-93-11920

CASE

SN: 10001-UP

2шт.

17

07430-71380

O-RING

SN: 10001-UP

2шт.

18

01252-30820

BOLT

SN: 10001-UP

4шт.

19

700-92-11260

JOINT

SN: 10001-UP

2шт.

20

700-93-11710

CASE,LEVER

SN: 10001-UP

2шт.

21

700-93-11720

COLLAR

SN: 10001-UP

2шт.

22

07430-71380

O-RING

SN: 10001-UP

2шт.

23

700-93-11730

BOLT

SN: 10001-UP

8шт.

24

700-93-11740

BEARING

SN: 10001-UP

2шт.

25

700-93-11750

BEARING

SN: 10001-UP

2шт.

26

700-93-11762

SEAL,OIL

SN: 10001-UP

2шт.

27

700-92-11270

LEVER

SN: 10001-UP

2шт.

28

04010-00416

KEY

SN: 10001-UP

2шт.

29

700-93-11780

LEVER

SN: 10001-UP

2шт.

30

01010-30825

BOLT

SN: 10001-UP

2шт.

31

700-93-11790

PLATE

SN: 10001-UP

2шт.

32

700-93-11810

GASKET

SN: 10001-UP

2шт.

33

01010-30820

BOLT

SN: 10001-UP

8шт.

34

700-93-11461

VALVE,CHECK

SN: 10001-UP

2шт.

35

700-93-11471

SPRING

SN: 10001-UP

2шт.

36

700-93-11481

PLUG

SN: 10001-UP

2шт.

37

07002-13634

O-RING

SN: 10001-UP

2шт.

38

700-93-11350

PLUG

SN: 10001-UP

1шт.

39

700-93-11320

O-RING

SN: 10001-UP

1шт.

40

700-93-11330

RING,BACK-UP

SN: 10001-UP

1шт.

41

07002-03634

O-RING

SN: 10001-UP

1шт.

42

700-93-12110

FLANGE

SN: 10001-UP

1шт.

43

07000-03035

O-RING

SN: 10001-UP

1шт.

44

01010-51025

BOLT

SN: 10001-UP

2шт.

45

700-93-55000

VALVE ASS'Y,RELIEF

SN: 10001-UP

1шт.

46

700-90-76000

VALVE ASS'Y,SUCTION AND SAFETY

SN: 10001-UP

1шт.

47

700-90-89000

VALVE ASS'Y,SUCTION AND SAFETY

SN: 10001-UP

1шт.

48

700-90-88000

VALVE ASS'Y,SUCTION

SN: 10001-UP

1шт.

Выбрано товаров: 49