Запчасти Komatsu WA350-1 КОНСОЛЬН. БЛОК¤ ЛЕВ. (TBG/ABE СПЕЦ-Я.) СПЕЦ. APPLICATION ЧАСТИ

Схема запчастей Komatsu WA350-1 - КОНСОЛЬН. БЛОК¤ ЛЕВ. (TBG/ABE СПЕЦ-Я.) СПЕЦ. APPLICATION ЧАСТИ
FIT
1:1
100%

Артикул

Название

Примечание

Количество

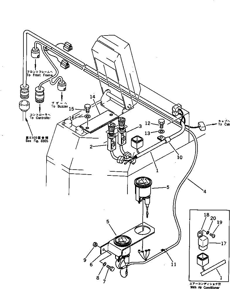
1

419-06-12351

WIRE ASS'Y

SN: 10001-UP

1шт.

2

421-06-16141

SWITCH,WIPER, FRONT

SN: 10001-UP

1шт.

3

421-06-16150

SWITCH,WIPER, REAR

SN: 10001-UP

1шт.

4

423-06-12631

WIRE ASS'Y

SN: 10001-UP

1шт.

5

423-06-11510

GAUGE,AIR

SN: 10001-UP

2шт.

6

423-06-11520

BRACKET

SN: 10001-UP

1шт.

7

01010-50616

BOLT

SN: 10001-UP

2шт.

8

01643-30623

WASHER

SN: 10001-UP

2шт.

9

01580-10605

NUT

SN: 10001-UP

2шт.

10

08036-01814

CLIP

SN: 10001-UP

1шт.

11

08036-11214

CLIP

SN: 10001-UP

1шт.

12

01010-51020

BOLT

SN: 10001-UP

1шт.

13

01643-31032

WASHER

SN: 10001-UP

1шт.

14

423-06-11530

PLATE

SN: 10001-UP

1шт.

15

01010-51016

BOLT

SN: 10001-UP

2шт.

16

01643-31032

WASHER

SN: 10001-UP

2шт.

17

421-06-11940

RELAY,AIR CONDITIONER

SN: 10001-UP

1шт.

18

287-06-16420

BRACKET

SN: 10001-UP

1шт.

19

01220-40610

SCREW

SN: 10001-UP

1шт.

20

01641-20608

WASHER

SN: 10001-UP

1шт.

Выбрано товаров: 20