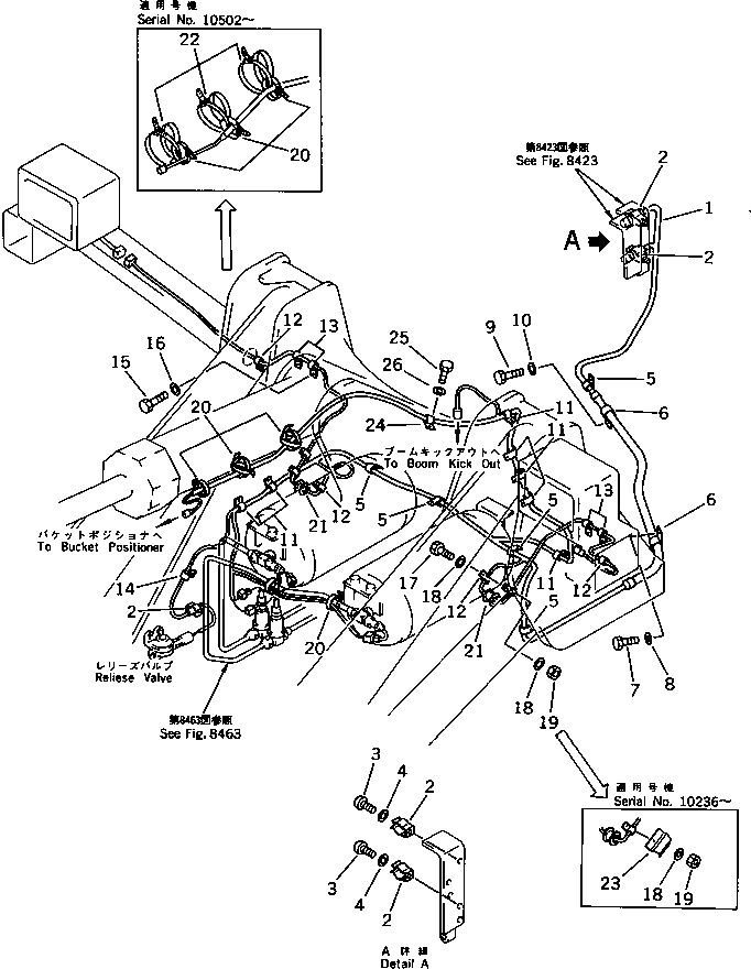
Запчасти Komatsu WA350-1 ЭЛЕКТРИКА (ПЕРЕДН. ЛИНИЯ) (TBG/ABE СПЕЦ-Я.) СПЕЦ. APPLICATION ЧАСТИ

Схема запчастей Komatsu WA350-1 - ЭЛЕКТРИКА (ПЕРЕДН. ЛИНИЯ) (TBG/ABE СПЕЦ-Я.) СПЕЦ. APPLICATION ЧАСТИ
FIT
1:1
100%

Артикул

Название

Примечание

Количество

1

423-06-12621

WIRE ASS'Y

SN: 10001-UP

1шт.

2

283-06-17130

CLIP

SN: 10001-UP

3шт.

3

01220-40608

SCREW

SN: 10001-UP

3шт.

4

01641-20608

WASHER

SN: 10001-UP

3шт.

5

08036-01414

CLIP

SN: 10001-UP

5шт.

6

08036-02514

CLIP

SN: 10001-UP

2шт.

7

01010-51220

BOLT

SN: 10001-UP

1шт.

8

01643-31232

WASHER

SN: 10001-UP

1шт.

9

01010-51016

BOLT

SN: 10001-UP

2шт.

10

01643-31032

WASHER

SN: 10001-UP

2шт.

11

424-06-12710

CLIP

SN: 10001-UP

7шт.

12

424-04-11120

CLIP

SN: 10001-UP

8шт.

13

424-06-12720

CLIP

SN: 10001-UP

4шт.

14

424-06-12730

CLIP

SN: 10001-UP

1шт.

15

01010-51016

BOLT

SN: 10001-UP

21шт.

16

01643-31032

WASHER

SN: 10001-UP

21шт.

17

01010-51040

BOLT

SN: 10001-UP

2шт.

18

01643-31032

WASHER

SN: 10001-UP

4шт.

19

01580-11008

NUT

SN: 10001-UP

2шт.

20

08034-00823

BAND

SN: 10001-UP

8шт.

21

424-06-12910

GROMMET

SN: 10001-UP

2шт.

Выбрано товаров: 21