Запчасти Komatsu WA350-1 ЭЛЕКТРИКА (ЛИНИЯ АККУМУЛЯТОРА) (TBG/ABE СПЕЦ-Я.) СПЕЦ. APPLICATION ЧАСТИ

Схема запчастей Komatsu WA350-1 - ЭЛЕКТРИКА (ЛИНИЯ АККУМУЛЯТОРА) (TBG/ABE СПЕЦ-Я.) СПЕЦ. APPLICATION ЧАСТИ
FIT
1:1
100%

Артикул

Название

Примечание

Количество

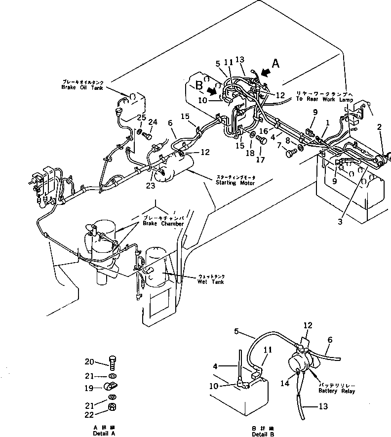
1

424-06-12510

WIRE

SN: 10001-UP

1шт.

2

419-06-11250

SWITCH,BATTERY

SN: 10001-UP

1шт.

3

419-06-12560

WIRE

SN: 10001-UP

1шт.

4

424-06-12520

WIRE

SN: 10001-UP

1шт.

5

424-06-12530

WIRE

SN: 10001-UP

1шт.

6

424-06-12540

WIRE

SN: 10001-UP

1шт.

7

01010-51016

BOLT

SN: 10001-UP

1шт.

8

01643-31032

WASHER

SN: 10001-UP

1шт.

9

08038-22511

CAP

SN: 10001-UP

3шт.

10

424-09-12540

BOOT

SN: 10001-UP

1шт.

11

424-09-12530

BOOT

SN: 10001-UP

1шт.

12

08038-00035

CAP

SN: 10001-UP

3шт.

13

419-06-12390

WIRE ASS'Y

SN: 10001-UP

1шт.

14

08038-00518

CAP

SN: 10001-UP

1шт.

15

101-04-12250

CLIP ASS'Y

SN: 10001-UP

4шт.

16

08036-01814

CLIP

SN: 10001-UP

2шт.

17

01010-51016

BOLT

SN: 10001-UP

6шт.

18

01643-31032

WASHER

SN: 10001-UP

6шт.

19

08036-01814

CLIP

SN: 10001-UP

1шт.

20

01010-50825

BOLT

SN: 10001-UP

1шт.

21

01643-30823

WASHER

SN: 10001-UP

2шт.

22

01580-10806

NUT

SN: 10001-UP

1шт.

23

424-06-12560

WIRE

SN: 10001-UP

1шт.

24

01010-51020

BOLT

SN: 10001-UP

1шт.

25

01643-31032

WASHER

SN: 10001-UP

1шт.

Выбрано товаров: 25