Запчасти Komatsu WA350-1 МАРКИРОВКА (ГЕРМАН.) (TBG/ABE СПЕЦ-Я.) СПЕЦ. APPLICATION ЧАСТИ

Схема запчастей Komatsu WA350-1 - МАРКИРОВКА (ГЕРМАН.) (TBG/ABE СПЕЦ-Я.) СПЕЦ. APPLICATION ЧАСТИ
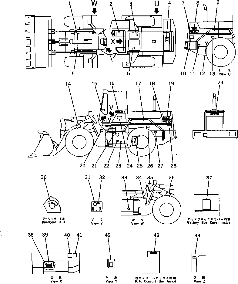
1
FIT
1:1
100%

Артикул

Название

Примечание

Количество

1

419-93-11930

PLATE, CAUTION,LIFTING EYE

SN: 10001-UP

1шт.

2

423-93-11620

PLATE, OPERATING,PARKING BRAKE

SN: 10001-UP

1шт.

3

424-93-11690

PLATE, CAUTION,BRAKE OIL

SN: 10001-UP

1шт.

4

09668-02000

PLATE, SAFETY,RADIATOR CAP

SN: 10001-UP

1шт.

5

419-93-11930

PLATE, CAUTION,LIFTING EYE

SN: 10001-UP

1шт.

6

09653-02000

PLATE, SAFETY,HYDRAULIC TANK

SN: 10001-UP

1шт.

7

423-93-11261

PLATE, MARK,WA350

SN: 10001-UP

1шт.

8

09694-50280

PLATE, MARK,SYMBOL

SN: 10001-UP

1шт.

9

423-93-11142

PLATE, STRIPE

SN: 10001-UP

1шт.

10

20T-98-22240

PLATE, SAFETY,KEEP OUT

SN: 10001-UP

1шт.

11

09101-02000

PLATE, CAUTION,FUEL

SN: 10001-UP

1шт.

12

419-93-11930

PLATE, CAUTION,LIFTING EYE

SN: 10001-UP

1шт.

13

20T-98-22330

PLATE, SAFETY,FAN BELT

SN: 10001-UP

1шт.

14

20T-98-22240

PLATE, SAFETY,KEEP OUT

SN: 10001-UP

1шт.

15

423-93-11640

PLATE, OPERATING,MONITOR PANEL

SN: 10001-UP

1шт.

16

09690-50280

PLATE, MARK,KOMATSU

SN: 10001-UP

2шт.

17

423-93-11142

PLATE, STRIPE

SN: 10001-UP

1шт.

18

423-93-11261

PLATE, MARK,WA350

SN: 10001-UP

1шт.

19

09694-50280

PLATE, MARK,SYMBOL

SN: 10001-UP

1шт.

20

362-98-11620

PLATE, CAUTION,KEEP OUT

SN: 10001-UP

1шт.

21

425-93-11320

PLATE, CAUTION,TRANSMISSION OIL LEVEL

SN: 10001-UP

1шт.

22

09152-02000

PLATE, SAFETY,AIR RESERVOIR DRAIN

SN: 10001-UP

1шт.

23

362-98-11160

PLATE, CAUTION,FRAME LOCK

SN: 10001-UP

1шт.

24

424-93-11611

CHART, OIL

SN: 10001-UP

1шт.

25

423-93-11630

PLATE, OPERATING,AIR DRYER

SN: 10001-UP

1шт.

26

20T-98-22330

PLATE, SAFETY,FAN BELT

SN: 10001-UP

1шт.

27

419-93-11930

PLATE, CAUTION,LIFTING EYE

SN: 10001-UP

1шт.

28

20T-98-22240

PLATE, SAFETY,KEEP OUT

SN: 10001-UP

1шт.

29

09690-50400

PLATE, MARK,KOMATSU

SN: 10001-UP

1шт.

30

09683-21070

PLATE, OPERATING,MAIN SWITCH

SN: 10001-UP

1шт.

31

421-93-11132

PLATE, OPERATING,LOADER CONTROL

SN: 10001-UP

1шт.

32

09685-00004

PLATE, OPERATING,LOCK LEVER

SN: 10001-UP

1шт.

33

09152-02000

PLATE, SAFETY,AIR RESERVOIR DRAIN

SN: 10001-UP

1шт.

34

326-98-11620

PLATE, CAUTION,KEEP OUT

SN: 10001-UP

1шт.

35

09602-23635

PLATE, NAME,(LIMITED SUPPLY)

SN: 10001-UP

1шт.

35

04418-13060

SCREW

SN: 10001-UP

4шт.

36

20T-98-22240

PLATE, SAFETY,KEEP OUT

SN: 10001-UP

1шт.

37

419-93-11630

PLATE, CAUTION,BATTERY

SN: 10001-UP

2шт.

38

424-93-11631

PLATE, OPERATING,FUSE

SN: 10001-UP

1шт.

39

424-93-11621

PLATE, OPERATING,FUSE

SN: 10001-UP

1шт.

40

419-93-11520

PLATE, SAFETY,STARTING AND AFTER OPERATING

SN: 10001-UP

1шт.

41

362-98-11150

PLATE, CAUTION,STARTING AND INSPECTION

SN: 10001-UP

1шт.

42

419-93-11530

PLATE, CAUTION,TRANSMISSION OIL TEMPERATURE

SN: 10001-UP

1шт.

43

425-93-11350

PLATE, OPERATING,RELAY

SN: 10001-UP

1шт.

44

09152-02000

PLATE, SAFETY,AIR RESERVOIR DRAIN

SN: 10001-UP

1шт.

Выбрано товаров: 0