Запчасти Komatsu WA350-1 РУЛЕВОЕ КОЛЕСО И УПРАВЛ-Е ТРАНСМИССИЕЙ РУЛЕВ. УПРАВЛЕНИЕ И СИСТЕМА УПРАВЛЕНИЯS

Схема запчастей Komatsu WA350-1 - РУЛЕВОЕ КОЛЕСО И УПРАВЛ-Е ТРАНСМИССИЕЙ РУЛЕВ. УПРАВЛЕНИЕ И СИСТЕМА УПРАВЛЕНИЯS
FIT
1:1
100%

Артикул

Название

Примечание

Количество

|$0

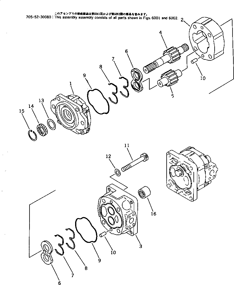
421-40-12111

WHEEL ASS'Y,STEERING

SN: 10001-UP

1шт.

1

421-40-12121

WHEEL

SN: 10001-UP

1шт.

2

362-43-15140

SPRING,LOCK

SN: 10001-UP

1шт.

3

421-40-12160

CAP,CONTACT

SN: 10001-UP

1шт.

4

362-43-15120

BUTTON,HORN

SN: 10001-UP

1шт.

5

362-43-15160

GRIP

SN: 10001-UP

1шт.

6

362-43-15180

SHAFT

SN: 10001-UP

1шт.

7

362-43-15190

BUSHING

SN: 10001-UP

1шт.

8

362-43-15210

NUT

SN: 10001-UP

1шт.

9

362-43-15220

WASHER,SPRING

SN: 10001-UP

1шт.

10

362-43-15170

CAP

SN: 10001-UP

1шт.

11

421-40-12151

PIN,CANCEL

SN: 10001-UP

1шт.

12

01235-40616

SCREW

SN: 10001-UP

3шт.

13

421-06-11605

SWITCH ASS'Y,TRANSMISSION CONTROL

SN: 11710-UP

1шт.

13

421-06-11604

SWITCH ASS'Y,TRANSMISSION CONTROL

SN: 11644-11709

1шт.

13

421-06-11603

SWITCH ASS'Y,TRANSMISSION CONTROL

SN: 10289-11643

1шт.

13

0

SWITCH ASS'Y,TRANSMISSION CONTROL

SN: 10001-10288

1шт.

13

421-06-11605

SWITCH ASS'Y,TRANSMISSION CONTROL(TBG/ABE)

SN: 11730-UP

1шт.

13

421-06-11604

SWITCH ASS'Y,TRANSMISSION CONTROL(TBG/ABE)

SN: 11498-11729

1шт.

13

421-06-11603

SWITCH ASS'Y,TRANSMISSION CONTROL(TBG/ABE)

SN: 10306-11497

1шт.

13

0

SWITCH ASS'Y,TRANSMISSION CONTROL(TBG/ABE)

SN: 10001-10305

1шт.

14

01010-50616

BOLT

SN: 10001-UP

3шт.

15

01643-30623

WASHER

SN: 10001-UP

3шт.

16

421-40-12313

STEERING COLUMN A.

SN: 10001-UP

1шт.

17

01011-51010

BOLT

SN: 10001-UP

2шт.

18

01580-11008

NUT

SN: 10001-UP

2шт.

19

01643-31032

WASHER

SN: 10001-UP

4шт.

20

421-40-12912

BOLT

SN: 10001-UP

1шт.

21

01643-31232

WASHER

SN: 10001-UP

1шт.

22

01580-10806

NUT

SN: 10001-UP

1шт.

23

01643-30823

WASHER

SN: 10001-UP

1шт.

24

421-40-12610

STEERING GEAR ASS'Y

SN: 10001-UP

1шт.

25

01583-12213

NUT

SN: 10001-UP

1шт.

26

01602-22268

WASHER,SPRING

SN: 10001-UP

1шт.

27

01050-51250

BOLT

SN: 10001-UP

3шт.

28

01643-31232

WASHER

SN: 10001-UP

3шт.

Выбрано товаров: 36