Запчасти Komatsu WA350-1 РУЛЕВ. УПРАВЛЕНИЕ ПРИВОД РУЛЕВ. УПРАВЛЕНИЕ И СИСТЕМА УПРАВЛЕНИЯS

Схема запчастей Komatsu WA350-1 - РУЛЕВ. УПРАВЛЕНИЕ ПРИВОД РУЛЕВ. УПРАВЛЕНИЕ И СИСТЕМА УПРАВЛЕНИЯS
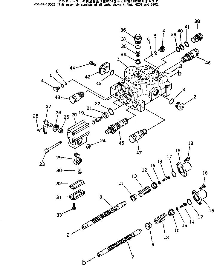
1
2
3
4
4
5
6
7
8
9
10
10
11
11
12
13
14
15
16
17
18
19
FIT
1:1
100%

Артикул

Название

Примечание

Количество

|$0

421-40-12610

STEERING GEAR ASS'Y

SN: 10001-UP

1шт.

1

421-40-12620

BOX,GEAR

SN: 10001-UP

1шт.

2

07042-10108

PLUG

SN: 10001-UP

2шт.

3

421-40-12630

NUT

SN: 10001-UP

1шт.

4

421-40-12640

BEARING

SN: 10001-UP

2шт.

5

421-40-12650

SHAFT

SN: 10001-UP

1шт.

6

421-40-12670

COVER,REAR

SN: 10001-UP

1шт.

7

421-40-12810

SEAL,OIL

SN: 10001-UP

1шт.

8

421-40-12840

COVER,DUST

SN: 10001-UP

1шт.

9

421-40-12680

SHIM

SN: 10001-UP

1шт.

9

421-40-12690

SHIM

SN: 10001-UP

1шт.

9

421-40-12710

SHIM

SN: 10001-UP

1шт.

9

421-40-12720

SHIM

SN: 10001-UP

1шт.

9

421-40-12730

SHIM

SN: 10001-UP

1шт.

10

01050-51025

BOLT

SN: 10001-UP

8шт.

11

01602-21030

WASHER,SPRING

SN: 10001-UP

8шт.

12

421-40-12660

COVER,SIDE

SN: 10001-UP

1шт.

13

421-40-12790

SCREW

SN: 10001-UP

1шт.

14

421-40-12750

SHIM

SN: 10001-UP

1шт.

14

421-40-12760

SHIM

SN: 10001-UP

1шт.

14

421-40-12770

SHIM

SN: 10001-UP

1шт.

14

421-40-12780

SHIM

SN: 10001-UP

1шт.

14

421-40-12740

SHIM

SN: 10001-UP

1шт.

15

01582-11008

NUT

SN: 10001-UP

1шт.

16

421-40-12830

PACKING

SN: 10001-UP

1шт.

17

421-40-12820

SEAL,OIL

SN: 10001-UP

1шт.

18

01602-22268

WASHER,SPRING

SN: 10001-UP

1шт.

19

01583-12213

NUT

SN: 10001-UP

1шт.

Выбрано товаров: 28