Запчасти Komatsu WA350-1 ЭЛЕКТРИКА (КОНСОЛЬН. БЛОК¤ ПРАВ.)(№-9) КОМПОНЕНТЫ ДВИГАТЕЛЯ И ЭЛЕКТРИКА

Схема запчастей Komatsu WA350-1 - ЭЛЕКТРИКА (КОНСОЛЬН. БЛОК¤ ПРАВ.)(№-9) КОМПОНЕНТЫ ДВИГАТЕЛЯ И ЭЛЕКТРИКА
FIT
1:1
100%

Артикул

Название

Примечание

Количество

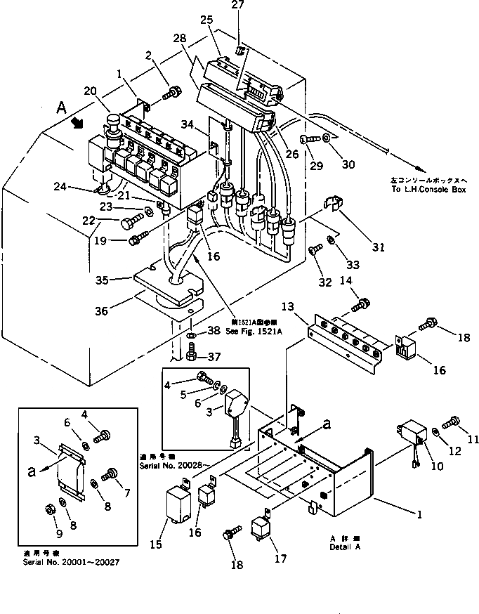
1

424-06-11732

BOX

SN: 20028-@

1шт.

|1

424-06-11731

BOX

SN: 20001-20027

1шт.

2

01435-00612

BOLT

SN: 20001-@

4шт.

3

423-06-11212

TIMER¤ BI-METAL

SN: 20028-@

1шт.

|3

\4\423-06-11211

TIMER,BI-METAL

SN: 20001-20027

1шт.

|$$6

(423-06-11212{423-06-11212)}

-1шт.

4

01010-50612

BOLT

SN: 20028-@

2шт.

|4

01235-40410

SCREW

SN: 20001-20027

3шт.

5

01601-20619

WASHER,SPRING

SN: 20028-@

2шт.

6

01642-20608

WASHER

SN: 20028-@

2шт.

|6

01641-20405

WASHER

SN: 20001-20027

3шт.

7

01235-40420

SCREW

SN: 20001-20027

2шт.

8

01641-20405

WASHER

SN: 20001-20027

4шт.

9

01580-10403

NUT

SN: 20001-20027

2шт.

10

207-06-31160

BUZZER

SN: .-@

1шт.

11

01220-40412

SCREW

SN: .-@

2шт.

12

01641-20405

WASHER

SN: .-@

2шт.

13

423-06-11220

PLATE

SN: 20001-@

1шт.

14

01435-00614

BOLT

SN: 20001-@

2шт.

15

22W-06-13251

FLASHER

SN: 10001-@

1шт.

16

287-06-16410

RELAY

SN: 20001-@

10шт.

|16

287-06-16420

BRACKET

SN: 20001-@

1шт.

17

421-06-11940

RELAY

SN: 20001-@

3шт.

|17

287-06-16420

BRACKET

SN: 20001-@

1шт.

18

01435-00610

BOLT

SN: 20001-@

13шт.

19

01435-00608

BOLT

SN: 20001-@

1шт.

20

08913-02400

LIGHTER

SN: 20168-@

1шт.

|20

203-06-51120

LIGHTER

SN: 20001-20167

1шт.

21

08036-01814

CLIP

SN: 20001-@

1шт.

22

01010-51016

BOLT

SN: 20001-@

1шт.

23

01643-31032

WASHER

SN: 20001-@

1шт.

24

08034-00823

BAND

SN: 20001-@

5шт.

25

424-06-12431

BOX ASS'Y,FUSE

SN: 20001-@

1шт.

26

424-06-12420

BOX ASS'Y,FUSE

SN: 10001-@

1шт.

27

283-06-16180

FUSE¤ 5A

SN: 20001-@

2шт.

|27

283-06-16190

FUSE¤ 10A

SN: 20001-@

23шт.

|27

22W-06-13160

FUSE¤ 20A

SN: 20001-@

7шт.

28

283-06-16120

COVER

SN: 10001-@

2шт.

29

01220-40516

SCREW

SN: 10001-@

4шт.

30

01641-20508

WASHER

SN: 10001-@

4шт.

31

421-06-12610

CLIP

SN: 10001-@

5шт.

32

01220-40608

SCREW

SN: 10001-@

5шт.

33

01641-20608

WASHER

SN: 10001-@

5шт.

34

08034-00823

BAND

SN: 20001-@

2шт.

35

419-06-12651

SHEET

SN: 20001-@

1шт.

36

418-944-1420

PLATE

SN: 20001-@

1шт.

37

01010-50616

BOLT

SN: 20001-@

2шт.

38

01643-30623

WASHER

SN: 20001-@

2шт.

Выбрано товаров: 48